Последнее обновление: 07.05.2022



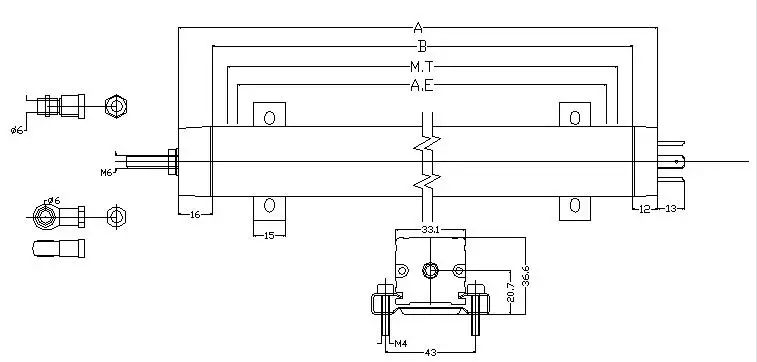
Характеристика:
Длительный срок службы до 50 × 106Раза,
Линейный отличные
С более высоким разрешением 0,01 мм
Высокая скорость работы
DIN430650 стандартные вилки и розетки
Класс защиты IP67
Объяснить :
Оболочки анодного оксида алюминия
Монтажный фиксированный кронштейн типа изгиба
Трансмиссия из нержавеющей стали, вращающийся
Подшипник поворотный подшипник скольжения
Сопротивление элемент проводящий пластик
Щетка в сборе, электрическая щетка из драгоценного металла, эластичное Демпфирование
Электрическое соединение DIN43650 стандарт 4 полюса Посеребренная розетка
Партию входят:
1 бесплатная розетки GDM3009
1 уплотнения GDM3-16
2 крепежных кронштейна и 4 винта
Рекомендуемые аксессуары:
Шарнирное соединение (см. Приложение) Z60/Z301
Управление процессом отображения карты прямого отображения для вывода
Регулятор сигнала MUW/MUK, стандартный выходной сигнал
V/A модуль преобразования, опционально два провода тока или три провода системы
Важное примечание:
TОн линейность, срок службы и температурный коэффициент в технических индикаторах основаны на условии, что Интерфейс Цепи датчика, работающего в операционном усилителе, как выходной сигнал датчика, И через кисть нагрузка тока le≤ 1μA

