Высококачественная RFID 2,4 GHz автомобильная система иммобилайзера с датчиком акселерометра Бесплатная доставка
Особенность:
1. Защита от угона
2. Избегайте силового запуска3. Отключите двигатель после того, как водитель уйдет на 30 секунд4. Специальная частота 2,4 GMHZ, мало помех5. Двухстороннее соединение, энергосберегающий дизайн удваивает время автономной работы
Описание функций:
1. Изучение кода2. Настройка пароля3. Сервисный режим4. Защита от захвата5. Защита от захвата
6. Сигнализация низкого напряжения с дистанционным управлением
7. Функция датчика акселерометра
8. Функция будильника
9. Два варианта Руководства пользователя, английский и русский, мы отправляем русское руководство на русский, другие страны, мы отправляем руководство на английском языке!
Краткое описание:
Эта система иммобилайзера-это система безопасности автомобиля нового поколения, которая не только предотвращает угон автомобиля скрытым способом, но и предотвращает травмирование владельцев автомобилей.
Эта система иммобилайзера может устанавливаться на любые виды транспортных средств без разрушения оригинальной электрической системы транспортных средств. Это очень удобный и идеальный дизайн, он прост в установке, и вор очень трудно найти такую систему сигнализации, как эта модель, которая была установлена в транспортном средстве, так как водителю не нужно делать какие-либо операции, как обычная Автомобильная сигнализация, Всего лишь нужно поместить ключ в допустимый диапазон связи 3-5 метров. Если на автомобиле установлена другая Автомобильная сигнализация с функцией запуска двигателя, эта система иммобилайзера также может очень хорошо работать для сотрудничества с другой системой сигнализации.
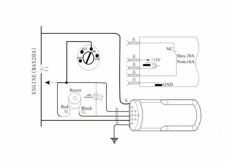
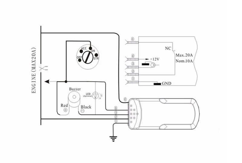
Управление
Когда
Иммобилайзер
Смарт-ключ находится в диапазоне 3-5 метров, система будет активирована. А
Звук мелодии будет щебеть светодиодный мигает от клавиши, чтобы подтвердить связь между
Ключ и мозг успешны. Если ключ находится вне допустимого диапазона 5 метров и двигатель имеет
Запуск в течение 5-7 секунд, система будет сигнализировать максимум 10 секунд непрерывно, и кроме того,
Тревожный звук будет быстрее и быстрее за последние 5 секунд, чтобы предупредить водителя о том, что двигатель автомобиля
Будет отрезан. Если ваш автомобиль перестанет двигаться в течение тревожного периода, система не умрет, но если автомобиль все еще движется, система немедленно отключаетсяЛи.
Анти-угон автомобиля
Этот режим анти-угон заставляет систему sys отключать двигатель, это может предотвратить возможность любого угона автомобиля. В чехол ключ теряется во время вождения, а активирована функция анти-угон, система позволяет s двигатель по-прежнему может работать в течение 60 секунд (это гарантирует безопасность во время вождения), В течение 25 секунд система мелодии тревожной сигнализации прерывисто устанавливается, чтобы напомнить владельцу, в то время как система будет сигнализировать
Более срочный в течение последних 5 секунд, система sys отключит двигатель. Если автомобиль припаркован хорошо до тревожной остановки, это позволяет двигателю продолжать работать без запуска автомобиля, как только автомобиль попытается запустить, система сразу обездвинет двигатель.
В любом чехле, если система не смогла обнаружить ключевой сигнал, при запуске двигателя,
Было бы me lody music и 10 single-to nesigna ls, чтобы ввести ПИН-код, если
При возникновении ошибки в PIN-коде будет выдан неправильный me lody. Когда смарт-ключ находится в диапазоне,
Система разблокирует двигатель и вернется в нормальное состояние.
Как правило, аккумулятор используется для на leas tha lf года или дольше, тогда владелец автомобиля
Необходимо своевременно заменить. После включения сирена всегда чиркает 3 звука в одном
Минуты, это означает, что аккумулятор должен быть заменен в ближайшее время.
Во избежание проблем с аккумулятором, рекомендуется подготовить запасной аккумулятор R2032 в автомобиле для экстренного использования. Когда вы за рулем, если тревожная сирена щедрит, ее следует остановить в течение 30 секунд до того, как двигатель обездвижен. Когда автомобиль находится в иммобилизованном состоянии двигателя, руль будет жестким, чтобы поворачиваться или даже сильно нажимать на ножной тормоз, потому что усилитель жидкости перестает работать в ситуации. Очень опасно, если машина работает на высокой скорости, не кладите смарт-ключ в кошелек или вместе с автомобильным ключом, просто кладите в карманы.
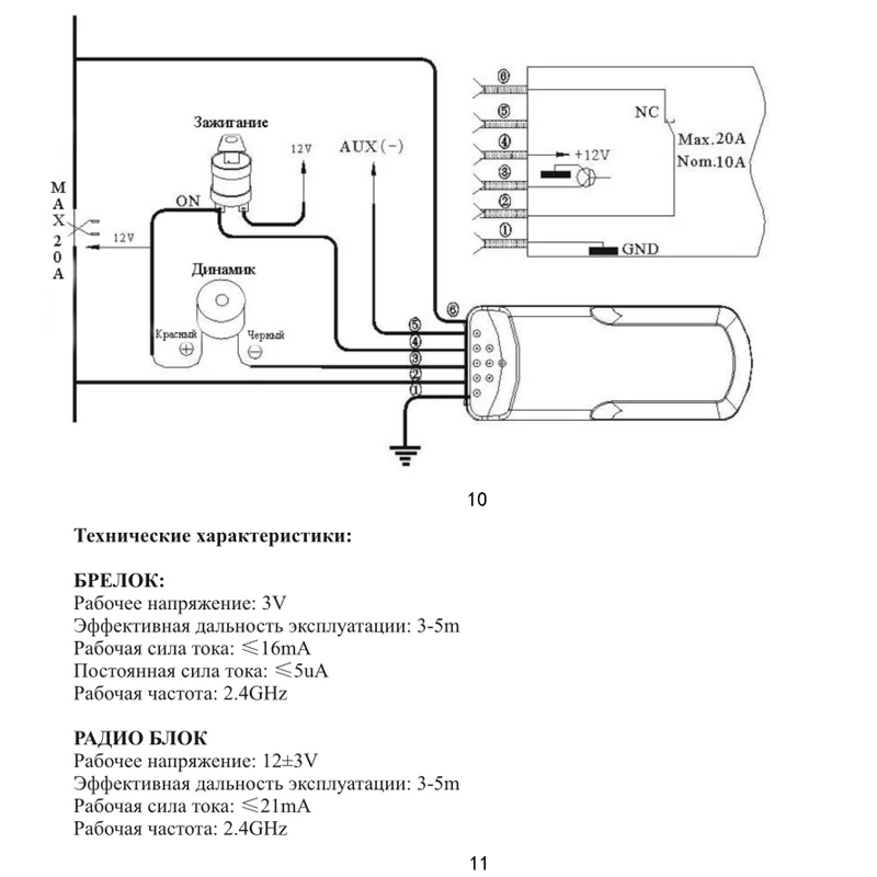
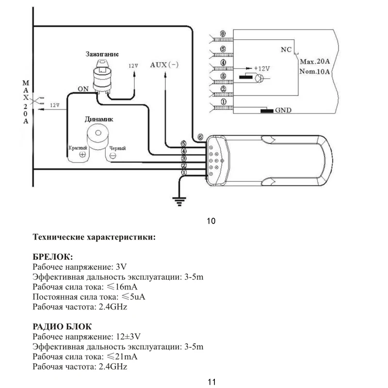
Технические параметры:
Рабочее напряжение: DC9-15VРабочий ток: ≤ 21 мАРабочий ток при захвате автомобиля: ≤ 85 мАРабочий ток клавиши: ≤ 10 мАРадиочастота:<0 мб7Аккумулятор: CR2032, 3 вБеспроводная длина от мозгового блока: 50 смБеспроводная длина от зуммера: 50 смРабочая частота: 125 кГцРадиус действия: 5 смРабочая температура:-40С-+ 85С
Набор включает в себя;
1. Модуль мозгового блока * 1 шт.
2. Смарт-ключ * 2шт
3. Зуммер * 1 шт.
4. Ленты (120-150 мм) * 3 шт
5. Провод заземления контактный * 1шт
6. Руководство пользователя * 1 шт.
7 посылка вочная коробка * 1 шт.









