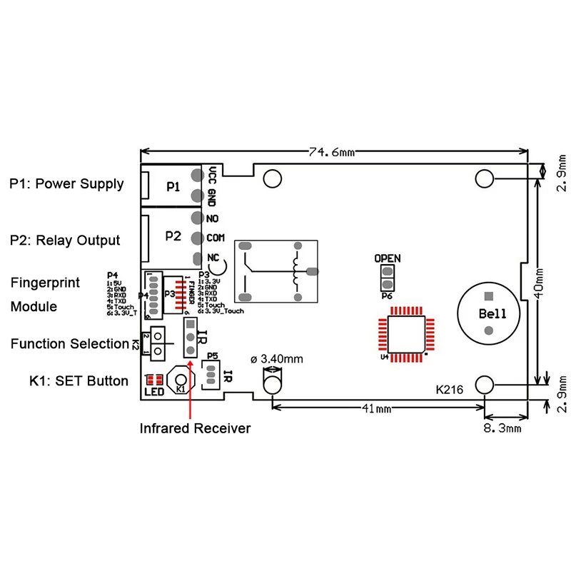
Руководство пользователя для платы управления K216
Технические параметры:
Источник питания: DC10V--30V
Ток в режиме ожидания: 6 мА (DC12V)
Выход: реле (макс. Ток: 10A)
Емкость отпечатка пальца: 300 шт.
Функция реле:1-20s или реле закрыто, когда отпечаток пальца прошел, реле будет открыто при снятии пальца.
K216 может управляться кнопкой SET или пультом дистанционного управления (Добавить/удалить отпечатки пальцев в различные три базы данных, изменить время реле и так далее)

Справочная схема подключения K216:

Инструкции для платы управления K216:
1. Кнопка установки:
1.1 Нажмите кнопку SET в ближайшее время, система в состоянии регистрации и световой светильник быстро мигают, нажмите два раза для каждого отпечатка пальца, регистрация отпечатков пальцев успешна при прослушивании музыки. Отпечаток пальца может быть зарегистрирован непрерывно, когда система находится в состоянии регистрации; Если нет необходимости добавлять отпечаток пальца больше, Ожидание 8 секунд. (емкость отпечатка пальца составляет 100 штук при нажатии кнопки SET, зарегистрированные отпечатки пальцев хранятся в базе данных 01)
1,2 при возврате к заводу по умолчанию нажмите кнопку SET, пока не услышите длинный звуковой сигнал «Di» и музыку, это означает, что операция инициализации прошла успешно
2. Пульт дистанционного управления:
2,1 красный индикатор освещает в заявленном программировании, музыка означает успешную работу
Пароль по умолчанию: 123456, длина пароля: 6 номеров
2,2 изменить пароль: нажмите * пароль * 1 * Новый пароль * новый пароль #
2,3 регистрация отпечатков пальцев: нажмите * пароль * 2 * DD # ,DD от 00 до 02(00, 01 и 02 см. Три различных базы данных по отпечаткам пальцев), каждая база данных может хранить отпечаток пальца 100 штук. Выход отпечатка пальца в зарегистрированном состоянии при нажатии * кнопки или в ожидании 10s.
2,4. Пустой отпечаток пальца: нажмите * пароль * 3 * пароль #
2,5. Режим работы управления:
Нажмите * пароль * 4*00 # модуль отпечатков пальцев Сенсорный режим ожидания
Нажмите * пароль * 4*01 # модуль отпечатков пальцев Сенсорная Функция ожидания выключена (обычно в режиме on)
2,6. Время задержки для реле закрытия: нажмите * пароль * 5 * SS #; SS от 00 до 20, SS означает время закрытия для реле (от 0.5s до 20s), например: 00 означает 0.5s, 20 означает 20s; Время по умолчанию 5s.
2,7. Удаление отпечатков пальцев: нажмите * пароль * 6 * DD #, DD от 00 до 02 (00, 01 и 02 см. Три различных базы данных по отпечаткам пальцев).
2,8. Использование пароля: нажмите * пароль и закройте реле, нажмите # и откройте реле.
3. Набор функций:
При выборе 2 время закрытия реле 5s после пропуска отпечатков пальцев (5s-это время по умолчанию, и его можно регулировать с помощью пульта дистанционного управления);
При выборе 1, реле закрыто, когда дактилоскопический отпечаток, реле будет открыто при снятии пальца.
● K216 может использоваться вместе с R302,R303T,R307,R502,R502-A,R502-AW,R502-F,R503 модуль отпечатков пальцев
● Вы можете загрузить руководство пользователя K216 со следующего веб-сайта:
Https://www.dropbox.com/sh/9itshhkx0r9mdyt/AABPH-Dhleve3A1Mn5ZA34pCa?dl=0
● K216 плата контроля отпечатков пальцев видео на Youtube:Https://youtu.be/RnSgbpmeejM
Если вам нужно приобрести пульт дистанционного управления отдельно, пожалуйста, нажмите здесь:
Https://www.aliexpress.com/item/32790558814.html?spm=a2g0o.store_pc_allProduct.8148356.7.26b26b6dneDauJ
K216 может подключаться к модулю отпечатков пальцев R503:
Https://www.aliexpress.com/item/33053190113.html?spm=a2g0o.store_pc_allProduct.8148356.1.313b1efcl3V2lG
K216 может подключаться к модулю отпечатков пальцев R502:
Https://www.aliexpress.com/item/33005164416.html?spm=a2g0o.store_pc_allProduct.8148356.9.313b1efcNVtaMo

K216 может подключаться к R502-A модулю отпечатков пальцев:
Https://www.aliexpress.com/item/4000261587625.html?spm=a2g0o.store_pc_allProduct.8148356.7.313b1efc96zwFp
K216 может подключаться к R502-AW модулю отпечатков пальцев:
Https://www.aliexpress.com/item/4000804873638.html?spm=a2g0o.store_pc_allProduct.8148356.17.313b1efcOCsIDj
K216 может подключаться к водонепроницаемому модулю отпечатков пальцев R502-F:
Https://www.aliexpress.com/item/1005003063946256.html?spm=a2g0o.store_pc_allProduct.8148356.3.313b1efc6qrU6J
K216 может подключаться к модулю отпечатков пальцев R302:
Https://www.aliexpress.com/item/32371285622.html?spm=5261.ProductManageOnline.0.0.291b4edfNcUz0J
K216 может подключаться к модулю отпечатков пальцев R303T:
Https://www.aliexpress.com/item/32793759519.html?spm=a2g0o.store_pc_allProduct.8148356.15.313b1efcfts6vp
K216 может подключаться к модулю отпечатков пальцев R307:
Https://www.aliexpress.com/item/32793759523.html?spm=a2g0o.store_pc_allProduct.8148356.13.313b1efc9hoNgH