Последнее обновление: 28.09.2024
Краткая информация о товаре, Первая глава
A. Краткая информация
MB6MW 6Дорожный весовой сигнал 16 Высокоточный модуль сбора, можно собрать напряжение (0 ~ 32 мВ), высокая точность сбора сигнала.Прикрепленные3Дорожный взвешивания мост10VНапряжение, точность напряжения1%Данные, собранные с помощью сигнала взвешивания, через изоляцию выхода интерфейса RS485; Модуль с использованием связи Modbus-RTU, может быть адаптирован к ПЛК, DCS и различным программным обеспечением настройки и т. д.
Сбор сигналов, ввод ЦП и питания, изоляция электрического сигнала связи RS485, эффективная подавление всех видов последовательного режима и помех в обычном режиме, для обеспечения точности данных, но также для обеспечения надежности модуля.
Две. Характеристика
1. Используется стандартный протокол Modbus-RTU.
2. Обеспечиваем3Дорожный взвешивания мост10VНапряжение, точность напряжения1%.
Три Высокоточный сигнал: использование высокоточных 24 бит AD и напряжения, справочный температурный коэффициент напряжения 10ppm/C (макс.).
4. Прием сигнала с использованием технологии изоляции каналов.
Пять Безопасность: захват сигнала, источник питания, электрические сигналы связи RS485, изолированные друг от друга.
Шесть Защита связи: Интерфейс выхода сигнала связи RS485, с использованием перенапряжения и двойной защиты от перегрузки по току.
7. Защита от полярности питания.
Три. Технический индекс
Проект
Параметр
AI
Входной сигнал
1Вход канал: 6-канальный взвешивания приема сигнала
2Тип входного сигнала: + 0 ~ 32 мВ
ТриТочность сбора: 0.1%
4Разрешение: + 32 мВ/32768 24 был понижен до 16 бит
5Частота дискретизации: 6 каналов на 300 мс время сбора (50 мс в канале)(Вы можете задать каналы сбора)
ШестьСхема сбора сигнала и изоляция ЦП защита напряжения: 1500 В
7. Прием сигнала с использованием технологии изоляции каналов.
Напряжение тока возбуждения
1. Напряжение: 10 в, точность 3, 1%
2. 3Выход дороги 10 в с защитой от короткого замыкания
RS485
Связь выход
1Протокол связи: MODBUS-RTU
2Тип интерфейса: Изолированная связь RS485, выход интерфейса с использованием защиты от перенапряжения и перегрузки по току
3Скорость передачи данных: 1200BPS, 2400bps, 4800bps, 9600bps, 19200bps
38400bps57600bps, 115200bps.
4Бит проверки: без проверки паритета, проверки паритета
5. Настройка: адрес модуля, скорость передачи данных, биты паритета могут быть установлены по
6 RS485Защита напряжения от изоляции цепи и процессора: 1500 В
Размер модуля
A.Размер раздельного модуля: 104 мм * 72 мм * 26 мм
B.С клеммой и направляющей, размер коробки: 124 мм * 72 мм * 45 мм
Установка метод
Стандартная установка направляющей DIN (направляющая 35 мм или высокая и низкая направляющая)
Рабочая среда
Температура: -10 ~ + 55, влажность: 35 ~ 85% (не роса)
Рабочая источника питания
1Напряжение электропитания: 10 В ~ 30 В, широкий диапазон электропитания, с защитой от полярности электропитания
2Расход энергии: менее 4 Вт
Четыре. Внешний вид продукта и схема внешней проводки
Пять. Характеристики светового модуля и функции переключателя
1. POW/комплект;Индикация рабочего состояния модуля
A.Зеленый светильник: модуль работает в бегущем состоянии. B. Красный светильник: модуль имеет параметры настройки, которые были записаны, необходимо перезаряжать.
2. TXD/RXD:Связь индикация состояния
A.Зеленый светильник мигает: связь получает данные B. Красный светильник мигает: модуль отправляет данные
C.Зеленый светильник всегда включен: данные + и данные-на линии связи RS485 соединены с обратным ходом, или соединение сломано.
Три Правый переключатель сброса модуля
A. Когда параметры связи (адрес модуля, скорость передачи данных, битный паритет) не знают и не могут установить связь с контактным модулем, решение заключается в том, чтобы сбросить параметры связи; мы используем зажим, чтобы удерживать переключатель сброса не открылся, через 5 секунд после [POW/SET] Модуль красного индикатора, отпустите переключатель сброса, параметры связи были сброшены, до тех пор, пока модуль питания после времени перезапуска, сообщение параметры добавлен часовой модуль сброшены.
B. Параметры связи после сброса: Адрес: 1, скорость передачи данных: 9600bps, паритет: No.
Шесть. Стандартная схема подключения

Семь. Определение клеммы
POS терминал
Название
Объяснить
POS терминал
Название
Объяснить
1
E0 +
Весит 0 положительного конца источника питания для стимуляции
26
NC
Пустые
2
E0-
Мощность дисковода взвешивания 0, отрицательный терминал
25
S5-
Сигнал взвешивания, вход 5 каналов, отрицательный терминал
3
E1 +
Весом 1 положительный конец возбуждения источника питания
24
S5 +
Сигнал взвешивания, вход 5 каналов, положительный конец
4
E1-
Мощность привода взвешивания 1, отрицательный терминал
23
S4-
Сигнал взвешивания, вход 4 канала, отрицательный терминал
5
E2 +
Весом 2 положительный конец возбуждения источника питания
22
S4 +
Взвешивания входного сигнала 4 канала с положительным концом
6
E2-
Мощность привода взвешивания 2 отрицательных клеммы
21
S3-
Сигнал взвешивания, вход 3 канала, отрицательный терминал
7
NC
Пустые
20
S3 +
Сигнал взвешивания, вход 3 канала, положительный конец
8
NC
Пустые
19
S2-
Сигнал взвешивания, вход 2 канала, отрицательный терминал
9
NC
Пустые
18
S2 +
Сигнал взвешивания, вход 2 канала, положительный конец
10
DATA +
В RS485Связь +
17
S1-
Сигнал взвешивания, вход, канал 1, отрицательный терминал
11
Данных
B RS485Связь-
16
S1 +
Сигнал взвешивания, входный канал, 1 положительный конец
12
+ Vs
Мощность вход +
15
S0-
Сигнал взвешивания, входной канал 0, отрицательный терминал
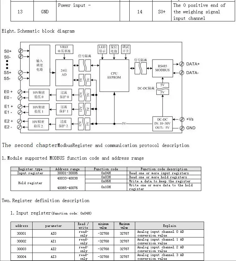
13
GND
Мощность ввода-
14
S0 +
Сигнал взвешивания, вход, канал 0 положительного конца
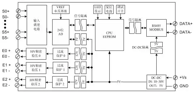
Восемь. Принцип блок-схема

Вторая главаModbusПротокол регистрации и связи
A. Модуль поддерживает код функции MODBUS и диапазон адресов







