APM2.8 APM 2,8 нет Контроллер полета компаса доска горизонтальная сторона штифт с чехол для DIY FPV Мультикоптер RC DroneЭто APM2.8 без компаса, горизонтальный боковой штифт.----Защитный чехолНо не амортизатор удара!
Размер:70*45*13,5Вес: 28 г
APM-это управление полетом с открытым исходным кодом, можете ли вы хорошо играть APM в зависимости от индивидуальных способностей. Игрок должен иметь способность базового понимания монолитной интегральной схемы, c-языка, знания электрических, механических, а также требует определенной степени умственной способности, финансовых и материальных ресурсов, поддержки энергии. Если вы не готовы, мы рекомендуем сначала подготовить вводную информацию.
Введение:
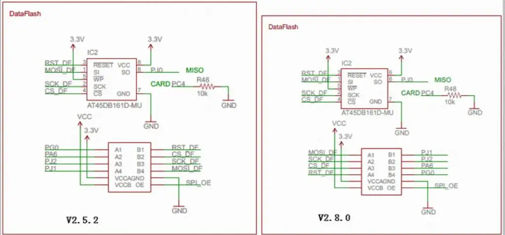
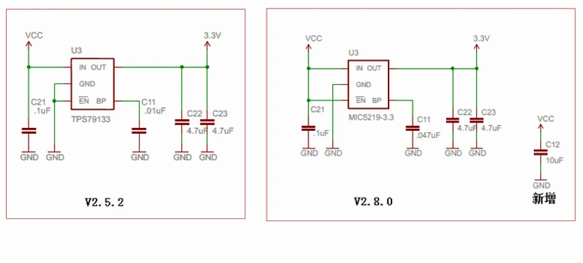
Устраняет V2.52 версии старый 1,0 мм 6P SM06B GPS интерфейс, изменен на DF13-4P компас внешний I2C интерфейс, поместите DF13-5P GPS интерфейс с внешними интерфейсами компаса, более удобно соединять GPS с внешним компасом.Заменен интерфейс V2.52 I2C на многоцелевые интерфейсы MUX, которые могут быть использованы самими пользователями через панель задней платы, свободно настраиваемый функциональный выход, UART0,UART2,I2C,OSD опционально, по умолчанию интерфейс OSD, избегая версии 2,52, когда вы хотите использовать как передачу данных, так и OSD, вам нужно использовать y-линию, разделяющую интерфейс программы. Улучшенный интерфейс OSD при использовании в сочетании с передачей данных, из-за сопротивления изоляции, более эффективный, чтобы избежать помех передачи данных.Новый V2.8.0 использует semi-LP2985-3.3 США, устойчивость к давлению до 16 В, повышенная надежность, Сниженная вероятность плохого гироскопа из-за проблем с напряжением.


Особенности:
-СовместимостьДля Arduino!-Боковые входные контакты, чтобы сдвинуть разъемы в любой конец Горизонтально.-В комплект входят 3 оси гироскопа, акселерометр и магнитометр, а также высокопроизводительный барометр-Встроенный чип 4 мегабайта Dataflash для автоматического набора данных-Одна из первых систем автопилота с открытым исходным кодом для использования акселерометра Invensense 6 DoF/гироскопа MPU-6000.-Барометрический датчик давления обновлен до MS5611-01BA03, от измерительных специализаций.-Чипы Atmel ATMEGA2560 и ATMEGA32U-2 для обработки и usb функций соответственно.

1. Порт передачи данных2. Порт аналогового датчика3. Выход карданного шарнира автостабильности4. ATMEGA2560 SPI Интернет-порт программирования (пригодится для оптического датчика потока)5. Порт USB6. Пульт дистанционного управления7. Функция выбора перемычки8. Порт GPS9. 12C Порт внешнего компаса10. ATMEGA32U2 SPI порт онлайн программирования11. Многофункциональный настраиваемый порт MUX (OSD-это выходное напряжение)12. Порт напряжения тока13. Адаптер питания ESC14. Выходной порт ESC

Посылка включает в себя:-1 * плата APM2.8-1 * Защитный чехол APM2.8




