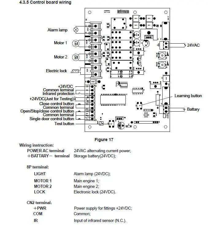
Материнская плата PCB двигатель монтажная плата контроллера карты для качели средство открытия шлюза мотор 24VDC Входная мощность (записываемых брелоков опционально)
NSEE Automation & Security Store - Надежность 94.5%
Более 3399 подписчиков, дата открытия магазина 09.08.2013
- Положительные оценки: 96% (674)
- Соответствие описанию: 94%
- Отвечает на сообщения: 94%
- Скорость отправки: 94%
Последнее обновление: 22.03.2022
В комплект 1 входит только плата, без пульта дистанционного управления
Комплект 2 с 2 пультами дистанционного управления
Комплект 3 с 3 пультами дистанционного управления
Комплект 4 с 4 пультами дистанционного управления
Комплект 5 с 8 пультами дистанционного управления
Плата обновляется следующим образом и, пожалуйста, обратите внимание;



Руководство пользователяНе прилагаютсяВ посылка; Пожалуйста, обратитесь к продавцу за руководством после покупки; Мы отправим его только по электронной почте.
1. Одна кнопка может завершить все команды управления (например, закрыть, открыть, остановить)2. Можно удалить любой пульт дистанционного управления отдельно
3. Комплексный интерфейс: Инфракрасный, солнечная энергия, кнопочный переключатель, фотоэлемент и резервная батарея.
4. С инфракрасным разъемом обнаружения









Плата работает только с нашим пультом дистанционного управления, не совместима с другими пультами дистанционного управления.
Аккумулятор не входит в комплект дистанционного управления
-
Вес логистики0.550
-
Каждая упаковка1
-
Минимальная единица измерения100000015
-
Название брендаLPSECURITY
-
Номер моделиpk300DC B
-
Продано Вsell_by_piece
-
ПроисхождениеКитай
-
Размер логистики - высота (см)5
-
Размер логистики - длина (см)15
-
Размер логистики - ширина (см)10
-
СертификацияЕвропейский сертификат соответствия
-
Умные домашние тапочки на платформеNONE





