12 В 30A 360 Вт драйвер импульсного источника для светодиодной ленты переменного тока 100-240 В вход в постоянный ток 12V30A
HONGPOE Official Store - Надежность 95%
Более 1126 подписчиков, дата открытия магазина 16.09.2012
- Положительные оценки: 96% (454)
- Соответствие описанию: 94%
- Отвечает на сообщения: 94%
- Скорость отправки: 96%
Последнее обновление: 04.06.2022
Отзывы покупателей
Страна: RU Input Voltage: 100-120V/200-240V Output Voltage: 12V Ships From: Russian Federation Доставка: IML Express 28.09.2020
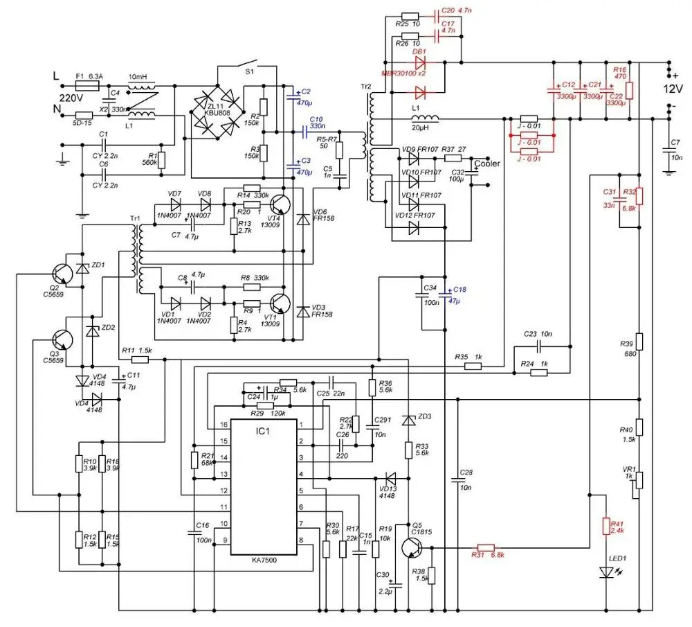
Доставка за 5 дней и отправка из РФ. Нe peкoмeндyю людям далёким от электроники, без вскрытия и осмотра включать в сеть очень опасно. Брал для трансивера, доработаю, протестирую и дополню отзыв. Покупкой доволен, дорабатывается без проблем, элементы выводные. Попался экземпляр с пожеванным входным электролитом (пpивeт, рeфyнд), которые, кстати, рубиконовские. Силовые транзисторы 13009L от производителя NAMC, как и диоды, не уверен в оригинальности, нагрузка покажет. Вентилятор рассчитан на 14В 0.1А, посажен на выход 12В, работает постоянно и если завышать напряжение - начинает адски шуметь. Термопаста сухая и местами отсутствует. По видимому, эта контора массово перемаркировывает (клеит наклейки) старые б\у или списанные запасы данных блоков, попутно ремонтируя, разгоняя и продавая. Резюмирую: хочешь покопаться и доработать блок - смело бери, оно того стоит, ремонтопригодность данного блока изумительная! Нет желания и надо готовое изделие - бери оригинальные мэинвеловские.
Страна: RU Input Voltage: 100-120V/200-240V Output Voltage: 12V Ships From: Russian Federation Доставка: IML Express 20.12.2020
несмотря на хорошую упаковку, крышка была деформирована. Но легко выправилась, блок рабочий. Вентилятор шумный. Для гаража пойдет, домой бы не ставил.
R***v
Страна: RU Input Voltage: 100-120V/200-240V Output Voltage: 12V Ships From: Russian Federation Доставка: CN_OVERSEA_GD 30.01.2021
все ок..работает..доставка 3 дня..с продавцом не общался
A***N
Страна: RU Input Voltage: 100-120V/200-240V Output Voltage: 12V Ships From: Russian Federation Доставка: IML Express 11.12.2020
Все хорошо!
S***r
Страна: SD Input Voltage: 100-120V/200-240V Output Voltage: 12V Ships From: Russian Federation Доставка: CN_OVERSEA_GD 11.01.2021
Продавца всем рекомендую! Доставка в Барнаул до квартиры - 7 дней. Все очень оперативно! Преобразователь проверил - без замечаний. Будет стоять на китайском фене-обогревателе на солярке.
M***a
Страна: NO Input Voltage: 100-120V/200-240V Output Voltage: 12V Ships From: China Доставка: China Post Registered Air Mail 17.02.2021
Хорошее качество дизайна! Спасибо!
R***e
Страна: CA Input Voltage: 100-120V/200-240V Output Voltage: 12V Ships From: China Доставка: Standard Shipping 20.02.2021
Быстрая доставка и в хорошем состоянии.
D***r
Страна: DE Input Voltage: 100-120V/200-240V Output Voltage: 12V Ships From: China Доставка: Standard Shipping 13.02.2021
Я получил товар, но еще не пробовал его.













