PM-1625 серийный DC/DC модуль
Представить
Мы запустили серию PM-XXXX. Это высокоэффективный модуль регулятора низкого напряжения. И включает в себя пять различных модулей, они PM-1625MUA, PM-1625MU, PM-1625SL, PM-1625MDU, PM-1625MD.
PM-1625MUAМодуль-импульсный повышающий стабилизатор постоянного/постоянного тока, основной чип-XU9223. Обычно используется там, где требуется эффективная и высокая схема выходного тока.
PM-1625MUВысокая эффективность, низкая пульсация, высокочастотный модуль PFM boost, основной чип XZ9218. Модуль отличается высокой производительностью, низким энергопотреблением, высокой точностью выходного напряжения. Он может превратить стабильность низкого входного напряжения в 5 В.
PM-1625SLЯвляется высокоэффективным PWM синхронным повышающим DC/DC преобразователем модуля, основной чип XZ3400. Рабочее напряжение модуля от 0,9 в до 5 В и структура цепи просты.
PM-1625MDUЭто эффективный, фиксированный модуль преобразователя постоянного/постоянного тока, основной чип XZ3440. Может работать при условии, что входное напряжение выше, ниже или равно выходному напряжению. Подходит для литий-ионных аккумуляторов с одной ячейкой, щелочных аккумуляторов с несколькими ячейками или аккумуляторов NiMH, выходное напряжение которых находится в диапазоне напряжения батареи.
PM-1625MDЭто модуль регулятора, главный чип 1410. Текущий режим работы обеспечивает быструю переходную реакцию и облегчает циклическую стабилизацию.



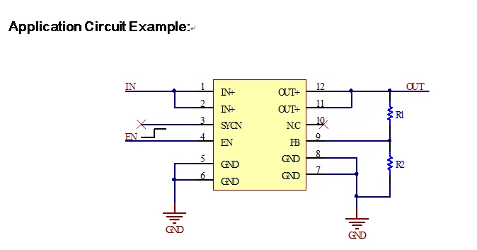
На рисунке показано Типичное применение серии PM-XXXX. Это не каждый модуль имеет синхронизацию pin и FB pin, они должны быть подключены в зависимости от приложения. Другие контакты соединены таким же образом.
Упаковочный лист
1 шт.PM-1625SLМодуль питания постоянного тока в постоянный ток.