Старт
WAVGAT скользящий потенциометр 10K Линейный модуль двойной...
US $1,52
Бесплатная доставка умная электроника MQ8 MQ 8 MQ-8 Smok...
US $1,65
1 метр 1,27 мм расстояние кувшин 10 способ 10P плоский цвет...
US $0,99
Бесплатная доставка Новый Atmega328 5v версия Pro Mini Mo. ..
US $1,84
1 шт. LCD1602 1602 Модуль зеленый экран 16x2 Charact...
US $1,75
Новый cnc щит v3 гравировальный станок/3D принтер/...
US $1,65
WAVGAT Atmega328 3,3 V версия Pro мини модуль 8M F...
US $1,64
WAVGAT GY-53 VL53L0X лазерный дальность полета s...
US $9,10
McIgIcM 50 шт./лот 3296 Вт многооборотный триммер потенцио...
US $4,10
Бесплатная доставка STM32F103C8T6 ARM STM32 Минимальная Syst...
US $1,98
Конец
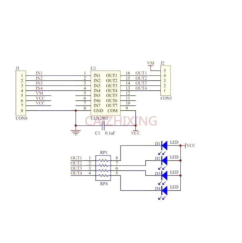
ULN2003 Драйвер шагового двигателя Модуль платы для AVR SMD пятипроводной четырехфазный шаговый двигатель приводной платы
Описание:
ULN2003-это массив транзисторов Дарлингтона высокого напряжения и высокого тока с высоким коэффициентом усиления тока, высоким рабочим напряжением, широким диапазоном температур, с сильной нагрузкой и другими характеристиками, адаптирован к требованиям различных типов высокоскоростных приводных систем. ULN2003A circuit-это Техасские Инструменты США, и компания Sprague разработала высоковольтный массив транзисторов Дарлингтона, в работе описывается его структура цепи, характерные параметры и типичные приложения.
Особенности:
1. Использование ULN2003 мощного дарлингтонского шагового двигателя с чипом
2. Увеличенный интерфейс расширения выхода.
3.A, B, C, D светильник, излучающий диод инструкции четырехфазный шаговый двигатель работает с состоянием стандартного интерфейса шагового двигателя, может использоваться непосредственно с вилкой.