Описание:
Чип: 3020 BHFI913
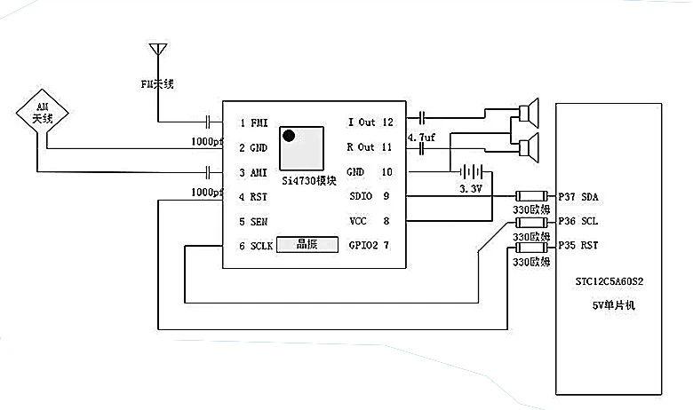
Описание контактов:
P30 серийный RX
P31 серийный TX
P32 KY040_CLK
P33 KY040_DT
Программное обеспечение P34 KY040_SW версии KeiC511.0
P35 SDA_S14730
Р36 SCL_Si4730
P37 RST_Si4730
ЖК-подсветка P17 (зарезервирована)
Предустановленный 2 тона P16 Dip 0 цифр максимум 55, 1 цифра по умолчанию объем 60
P15 циферблат 3 прием чувствительности (rxчувствительность) набор 0 для местного приема и 1 для удаленного приема
Набор браслетов для настройки P14 Dial 4 (диапазон) от 0 до FL и от 1 до U
Особенности:
1. Последовательный порт отображает оперативную информацию и информацию о настройке.
2. Поверните кодировщик, чтобы повернуть и настроить поисковую платформу вручную.
3. Нажмите кнопку поворотного энкодера, автоматический ручной стол.
Диапазон настроек 4,4 цифр (циферблат 40-F, 1-1 и чувствительность приема
Посылка входит:
1 * SI4730-V2.0 SI4730 Радиомодуль