
Электронный трансформатор является блоком питания для основной цепи сервопривода. Его мощность должна быть трехфазной четырехпроводной.
1. Ток является автоматической регулировкой для серводвигателя, на выходной ток не влияет Напряжение электросети и серводвигатель играть лучшую производительность.
2. Все компоненты поставляются из Германии, японский силовой модуль с безопасной и надежной, гарантия 3 года, продолжительность жизни в течение 20 лет.
3. Малый объем, легкий вес, низкая цена, в пять раз больше перегрузки, и может работать непрерывно в течение длительного времени.
4. Корпус для литого алюминиевого сплава, клеммные блоки принимают специальные сплавные материалы, медленно медленное давление.
5. Выдерживает суровые условия использования: от-30 до 60 градусов по Цельсию. Установка до 4500 м над уровнем моря.
6. Высокая производительность, высокая эффективность (99.8%), высокое напряжение, без помех, без жар, потребляют меньше энергии, выходная мощность более стабильна.
7. Гарантия 3 года
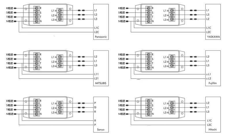
Соответствующий бренд серводвигателя:
Panasonic Yaskawa Mitsubishi Sanyo FUJI Hitachi Omron
AB FANUC Schneider Lenze
Detla TCEO и так далее.
Как измерить выходное напряжение электронного трансформатора?
Ответ: так как принцип конструкции электронного трансформатора и традиционного универсального счетчика (мультиметра) полностью отличается, что делает два продукта коллизии друг с другом, выходное напряжение электронного трансформатора не может быть измерено традиционным универсальным измерителем (мультиметром). Единственный способ измерения электронного трансформатора-это использование осциллографа.
Другие доступные сервопривод трансформатор питания:
Модель
Стабилизатор напряжения
Применение
Ссылка
SVC-010-A
3PH 380V до 220V
Источник питания для сервопривода 1 кВт
Покупате прямо сейчас
SVC-015-A
3PH 380V до 220V
Источник питания для сервопривода 1,5 кВт
Покупате прямо сейчас
SVC-020-A
3PH 380V до 220V
Источник питания для сервопривода 2 кВт
Покупате прямо сейчас
SVC-030-A
3PH 380V до 220V
Источник питания для сервопривода 3 кВт
Покупате прямо сейчас
SVC-040-A
3PH 380V до 220V
Источник питания для сервопривода 4 кВт
Покупате прямо сейчас
SVC-050-A
3PH 380V до 220V
Источник питания для сервопривода 5 кВт
Покупате прямо сейчас
SVC-060-A
3PH 380V до 220V
Источник питания для сервопривода 6 кВт
Покупате прямо сейчас
SVC-070-B
3PH 380V до 220V
Источник питания для сервопривода 7 кВт
Покупате прямо сейчас
SVC-080-B
3PH 380V до 220V
Блок питания для сервопривода 8 кВт
Покупате прямо сейчас
SVC-090-B
3PH 380V до 220V
Источник питания для сервопривода 9 кВт
Покупате прямо сейчас
SVC-100-B
3PH 380V до 220V
Блок питания для сервопривода 10 кВт
Покупате прямо сейчас
SVC-120-B
3PH 380V до 220V
Источник питания для сервопривода 12 кВт
Покупате прямо сейчас
SVC-150-B
3PH 380V до 220V
Источник питания для сервопривода 15 кВт
Покупате прямо сейчас
Просим направить нам сообщение с указанием соответствующей информации:
1. Этот трансформатор сервопривода предназначен для сервопривода, не подходит для любых двигателей!
2. Пожалуйста, оставьте нам ваш бренд сервопривода, когда вы размещаете заказ.
Заранее спасибо!
