Добро пожаловать в наш магазин!
12В импульсный источник Питание Универсальный адаптер переменного тока в постоянный ток UPS заряда Тип переключение Питание 12V 120w (SC120W-12)
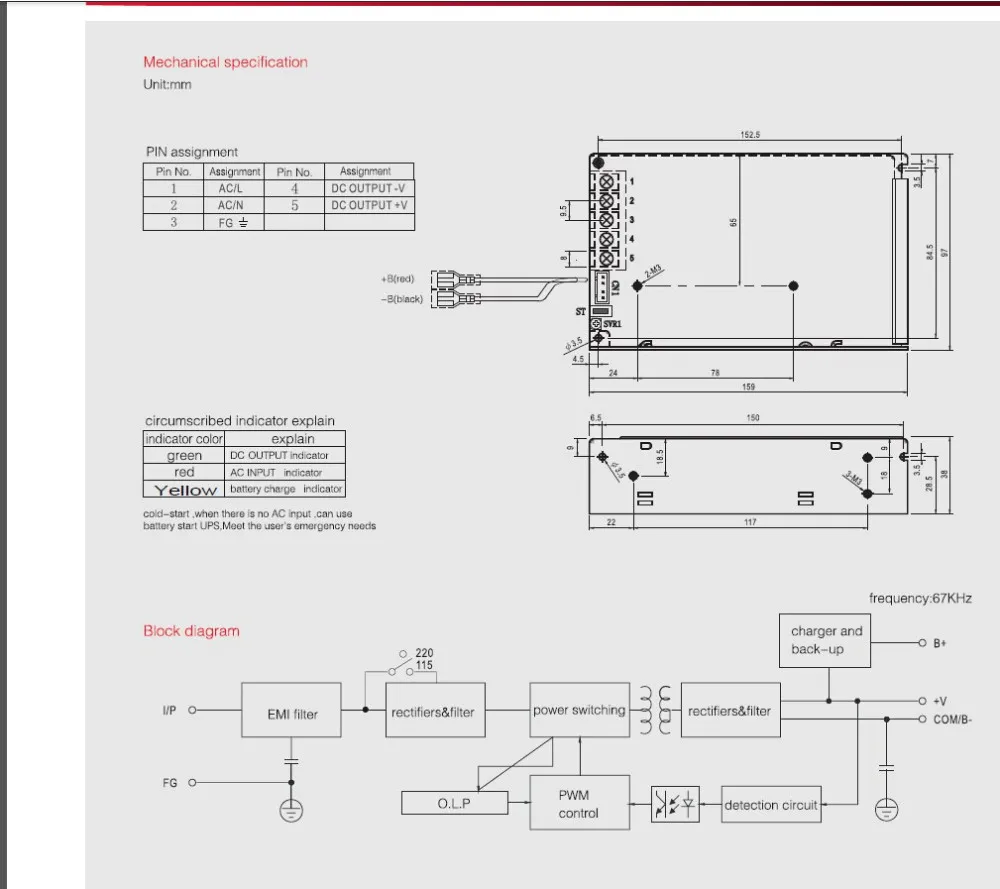
Характеристики: · Универсальный вход переменного тока
· Небольшой объем, низкий вес, высокая эффективность
· Защита: короткое замыкание/перегрузка
· Индикатор для включения/зарядки/нормального режима (светодиодный)
· 100% проверка полной нагрузки при горении
· Защита аккумулятора при низком напряжении
· 2 года гарантии
UPS зарядки источника питания Особенности:
Длительный срок службы батареи, высокая эффективность, полнота батареи может достигать более 90%
Полностью автоматический стоп-сигнал, для предотвращения перезарядки батареи, эффективно продлевает срок службы батареи,
Автоматическое переключение сети/аккумулятора, без времени переключения, без человеческого труда.
Напряжение после выхода из строя питания-это прямое напряжение на аккумуляторе.
Автоматически переключается на питание после отключения питания. Питание аккумулятора, когда напряжение упадет до 10 в, автоматически отключает выход, чтобы предотвратить перегрузку, может эффективно защитить батарею.
UPS контроль зарядки power SC-120W-12V10A источника питания
Зарядный ток никель-металл-0,5-0.8A Максимальная может сделать 1A
Что зарядка аккумулятора не имеет ничего общего с размером емкости аккумулятора медленной зарядки, емкость аккумулятора небольшой быстрой зарядки;
Какие аккумуляторы заряжаются, нет требования к типу аккумулятора, свинцу, литию и другим аккумуляторам, в порядке!






