Leadshine легкий сервопривод и двигатель для станков с ЧПУ
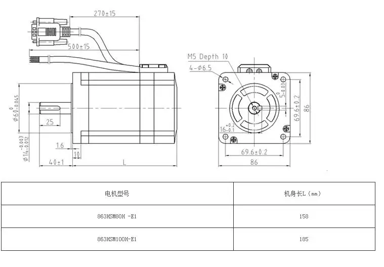
H2-2206 и 863HSM100H-E1 привод и двигатель каждый 1 шт.
Мы являемся OEM партнером Leadshine (Leisai в Китае), как дизайнер контроллера с ЧПУ, мы обслуживаем сотни производителей станков с ЧПУ в Китае.
Мы можем не только предложить вам высококачественный продукт, но и профессиональную техническую поддержку при использовании нашего продукта.
Наш богатый опыт сделает вашу работу легкой и простой.
ES-DH2306
-Легко сервопривод; Прямая 220/230 AC Вход; 0,5-6.0A нагрузки на Выход токОсобенности
Управление шагами и направлением
Замкнутая петля положения без потери синхронизации движения
Нет потери шагов; Нет охоты; Нет чрезмерной стрельбы; Прямой вход 110/120/220/230 В переменного тока
Рабочее напряжение: 150 - 230 В переменного тока или 212 - 325 В постоянного тока
Нагрузки на выходной ток 0,5-6,0 A
Высокий крутящий момент при запуске и низкой скорости
Нет резерва крутящего момента
Высокая жесткость в режиме ожидания
Значительно уменьшенное нагревание двигателя
Плавное движение двигателя и очень низкий уровень шума двигателя
Быстрая реакция, отсутствие задержки и нулевое время установки
Бортовой светодиодный дисплей для пользовательской конфигурации и режима движения
Plug-and-play и без настройки
Также способны за рулем нормальной 3-х фазный шаговый двигатель


Серия Leadshine Easy Servo:
Особенности:
Нет настройки, Нет потери синхронизацииN замкнутая петля, устраняет потерю синхронизацииБолее широкий рабочий диапазон-более высокий крутящий момент и более высокая скоростьN уменьшенное нагревание двигателя и более эффективноеN плавное движение и супер-низкий уровень шума двигателяНе нужно иметь большой запас крутящего моментаНет настройки и всегда стабильныйБыстрый отклик, без задержек и почти без времени ожиданияN высокий крутящий момент при запуске и низкой скорости, высокая жесткость в режиме ожиданияБолее низкая стоимость
Описание:
Серия HBS предлагает альтернативу для приложений, требующих высокой производительности и высокой надежности, когда сервопривод был единственным выбором,В то время как он остается экономически эффективным. Система включает в себя 2-фазный шаговый двигатель в сочетании с полностью цифровое изображение, высокая производительность иВнутренний энкодер, который используется для закрытия положения, скорости и петли тока в режиме реального времени, как и сервосистемы. Он сочетает в себеЛучшие технологии сервопривода и шагового двигателя, и поставляет уникальные возможности и улучшения над обоими, в то время как за небольшую часть стоимостиСистемы сервопривода.
Применение:
Серия HBS предлагает альтернативу для приложений, требующих высокой производительности и высокой надежности, когда сервопривод был единственным выбором,В то время как он остается экономически эффективным. Его отличная особенность быстрого ответа и без охоты делает его идеальным для таких приложений, как склеивание и видениеСистемы, в которых требуется быстрое движение с коротким расстоянием и охота будет проблемой. И идеально подходит для приложений, гдеОборудование использует механизм ременного привода или в противном случае имеет низкую жесткость, и вы не хотите, чтобы он вибрировал при остановке.

