1 шт.лот SV650 433 МГц RS485 Встроенный 500 МВт Si4432 RF беспроводной модуль приемопередатчика
G-NiceRF Official Store - Надежность 97%
Более 635 подписчиков, дата открытия магазина 02.01.2014
- Положительные оценки: 98% (179)
- Соответствие описанию: 96%
- Отвечает на сообщения: 98%
- Скорость отправки: 96%
Последнее обновление: 01.03.2022

1 шт./лот SV650 433 МГц RS485 Встроенный 500 МВт Si4432 РФ беспроводной модуль приемопередатчика

SV650Встроенный Ультра-маленький размер высокомощного высокоинтегрированного беспроводного модуля с использованием высокопроизводительного кремниевого лабораторного микрофона Si4432 RF. Чувствительность приемника в сочетании с низкой ведущей в отрасли500 МВт выходной мощностиГарантированно Расширьте объем и улучшите производительность связи. Модуль обеспечивает многополосный многоканальный и сетевой идентификатор для уменьшения помех во время передачи для улучшения производительности передачи. Пользователи могут подключаться через программное обеспечение ПК или устройства через последовательный порт, и RF Online настроен для изменения соответствующих параметров.
Изображение продукта:


Технические характеристики:
Параметр
Мин.
Тип.
Макс.
Блок
Условия
Управление условия
Поставка Напряжение
3,3
5,0
7,5
V
Операционной Температура
-40
25
+ 85
Потребляемый ток
RX ток
25
MA
TTL
34
MA
485
TX тока
350
MA
@ 27dBm
Ток в спящем режиме
≤ 5
МкА
RF параметр
Частота
414,92
433,92
453,92
МГц
@ 433 МГц
470,92
470,92
509,92
МГц
@ 470 МГц
849,92
868,92
888,92
МГц
@ 868 МГц
895,92
914,92
934,92
МГц
@ 915 МГц
Воздушный скорость передачи данных
1,2
9,6
38,4
Кбит/с
GFSK
Выход мощность
20
/
+ 27
ДБм
Установка с помощью программного обеспечения
Чувствительность
-121
ДБм
@ 1,2 кбит/с
Особенности:* 3000 м RF разъем линейного входа-расстояние видимости @ 1,2 кбит/с * 433/470/868/915 МГц* 40 каналов* 4 байта нетто ID* 2 байта идентификатора узла* Множественная скорость передачи данных о воздухе* GFSK модуляции* Антенна автоматически подходит и управление переключателем двойного направления* Поддержка настройки параметров последовательного порта* Чувствительность: -121 дБм* Максимальная выходная мощность: 500 мВт* Напряжение: 3,3 ~ 7,5 V* Температура: -40 ~ + 85 °C
Применение:* Пульт дистанционного управления телеметрии• Автоматическое считывание показаний* Системы безопасности* Регистратор данных* Беспроводной передачи данных* Автоматизация зданий и безопасность* Здоровый мониторинга* Беспроводной периферийные устройства* Система контроля доступа* Управления роботом


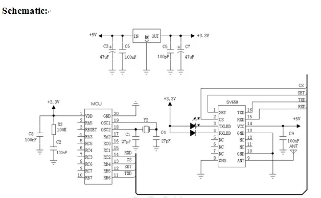
Pin-код
Pin-определения
Описание продукта:
-1 шт.
Набор
Параметры конфигурации включают (низкий, чтобы включить параметры конфигурации, выход высокого уровня по умолчанию)
2
CS
Модуль включен (низкий уровень сна, ток меньше 5uA, выход высокого уровня по умолчанию)
3
Txled
Излучаемый светильник на выходе (активный низкий)
4
RXLED
Выход индикатора приема (активный низкий)
5 / 6 / 7 / 11 /12
NC
Свободных
8/10/13
GND
Подключен к провода заземления
9
Муравей
Выход радиочастотного сигнала, затем антенна 50 Ом
14
VCC
Подключен к положительному источнику питания (Типичный 5 В)
15
TXD/A
Передача данных последовательной связи (@ 485 уровень, затем выход A)
16
RXD/B
Прием данных последовательной связи (@ 485 уровень, затем выход B)

Вспомогательное оборудование:
Антенна:Антенна является важной частью системы связи. Его особенность напрямую влияет на производительность системы связи. Сопротивление соответствия модуля составляет 50 Ом, мы рекомендуем пользователям использовать стандартную пружинную антенну.

USB доска мост:Модули, необходимые инструментом конфигурации для настройки относительных параметров. Компания поставляет USB интерфейс, соответствующий адаптеру пластины с TTL/RS485 уровнем, так что пользователи могут быстро и легко с ПК боковой связи.

Spctrogram:
Излучаемой: измерение уровня выбросов









Если вам нужен другой Частотный диапазон 470/868/915 МГц или TTL портПожалуйста, оставьте сообщение!


-
Frequency433/470/868/915 MHz
-
InterfaceTTL / RS485
-
Sensitivity-121 dBm
-
Size38*20*4 mm
-
Sleep current< 5uA
-
Transmit current350mA @27dBm
-
Transmit power20~27dBm
-
Working voltage2.8~6.5V(TTL); 4.5~5.5V(RS485)
-
Вес логистики0.204
-
Каждая упаковка1
-
Минимальная единица измерения100000015
-
Название брендаG-NiceRF
-
Номер моделиSV650 500mw rf module
-
Продано Вsell_by_piece
-
Размер логистики - высота (см)10
-
Размер логистики - длина (см)25
-
Размер логистики - ширина (см)18



