Точный Датчик тяги 3000 мм Диапазон измерения кабель-удлинитель кастрюли строковые кодировщики Калибр толкатель выход
CALTSensoR Store - Надежность 95.5%
Более 865 подписчиков, дата открытия магазина 18.07.2012
- Положительные оценки: 96% (281)
- Соответствие описанию: 96%
- Отвечает на сообщения: 96%
- Скорость отправки: 94%
Последнее обновление: 13.03.2022
Датчик Точного натяжения провода, диапазон измерения 3000 мм, кабель-удлинитель, кастрюля с манометром строковые кодировщики
Серия CESI-S3000
Особенности
* Компактный размер, прочная конструкция, простота установки
* Экономичная стоимость и экономия затрат для клиентов
* Дополнительный выход различных сигналов: push-pull, TTL, открытый коллектор и т. д.
* Цилиндры, испытательные машины и другие отрасли обеспечивают широкомасштабное применение, надежность

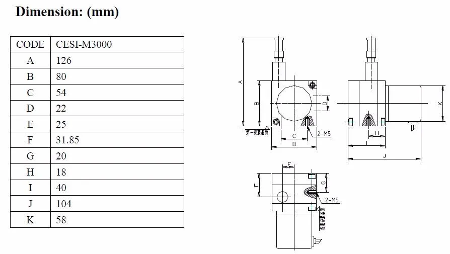
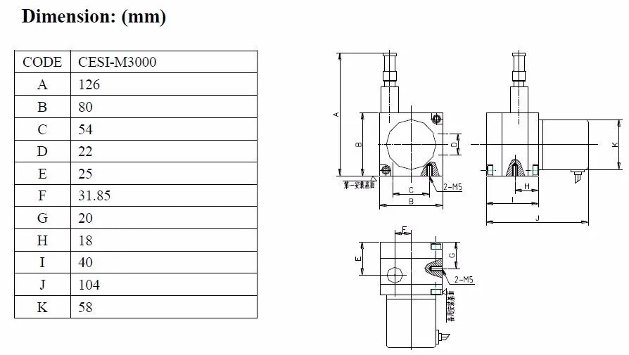
Технические параметры
Разрешение
0,01, 0,02, 0,04, 0,08 мм/плюс
Диапазон
0 ~ 3000 мм
Метод обнаружения
Инкрементный кодер
Точность
+/-0.05% FS
Потребление тока
≤ 60 мА
Рабочая температура
-20 °C ~ 80 °C
Частотный диапазон
От 10 к Гц до 50 к Гц
Рабочая влажность
30 ~ 85% без конденсации
Выходной сигнал
Фаза AB, фаза ABZ
Напряжение питания
10-30 В постоянного тока, 5 в постоянного тока
Фазовая разница
A, B разница в 90 градусов
Кабель
1 м
Время волны вверх и вниз
2 мс
Противоударный
От 10 Гц до 1500 Гц, 10 г
Пусковой момент
<700 г
Ударопрочность
20 г, 11 мс
Характеристики цепи
Напряжение, ток, двухтактный, длиннолинейный выход привода, открытый коллектор
Характеристики веревки
Веревка 0,6-1,2 мм, максимальная нагрузка на веревку: 16 кг
Степень защиты
IP65/IP54
Вес
<1,5 кг
Скорость
1 м/с

-
Outputpushpull A B Z
-
Place of OriginShanghai, China (Mainland)
-
tracking range3000mm
-
Вес логистики1.5
-
Каждая упаковка1
-
Минимальная единица измерения100000015
-
Название брендаCALTSensoR
-
Номер моделиCESI-S3000
-
Продано Вsell_by_piece
-
Размер логистики - высота (см)10
-
Размер логистики - длина (см)15
-
Размер логистики - ширина (см)13

