Высокоточный токарный станокфрезерный станокшлифовальный станокэнкодер с линейными весами SINO KA300, разрешение 5 мкм, длина 70-1020 мм
CONFEVIS Store - Надежность 0%
Более 4 подписчиков, дата открытия магазина 14.12.2021
- Положительные оценки: 0% (0)
- Соответствие описанию: 0%
- Отвечает на сообщения: 0%
- Скорость отправки: 0%
Последнее обновление: 17.09.2024
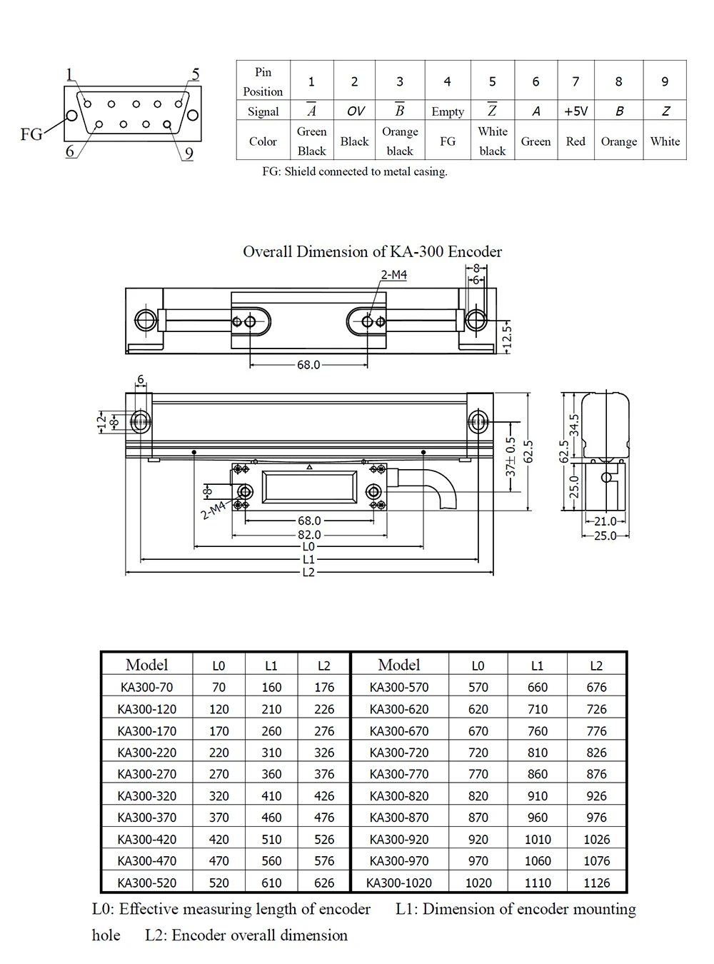
Описание:Convevis Sino KA300 5 мкм TTL 70-470 мм электронные линейные весы кодеры токарный станок инструмент для 2/3 оси решетки CNC фрезерование цифровой индикации дисплей DROРазрешение: 5 мкмСпецификация:KA300 5U TTL линейные коды/линейный энкодер/линейный датчик/линейные параметры1. Длина перемещения (измерения): 0-470 мм2. Общая (общая) Длина: длина путешествия + 106 мм (0-576 мм)3. Разъем: DB94. Разрешение: 0,005 мм (5 μ)5. Входное напряжение: 5 В6. Шаг решетки: 0,02 мм (50LP/мин)7. Длина кабеля: 3 метра8. Нормальный размер: около 22*349. Класс защиты: IP5410. Сигнал: TTLСигнал 1 μ линейная оптическая линейка/линейные стеклянные весы/линейный энкодер/линейный датчикКонтактный 2 черный 0VКонтактный 6 зеленый AШтырь 7 красный 5 ВШтырь 8 белый BКонтактный 9 оранжевый ZЗачем покупать линейные кодеры 1u?Пыленепроницаемый, IP54 Водонепроницаемый дизайнВысококачественный подшипник, надежный и прочный1. Устраняет ошибки в положении станка, вызванные тепловым расширением, деформацией механики привода, проблемами с шагом и многое другое.2. Высокая долгосрочная стабильность скорости.3. Прочная конструкция и высокая устойчивость к вибрации.4. Более тонкие периоды сигнала обеспечивают высокую точность интерполяции.5. Компактный, легкий и простой в установке.6. Прочный и надежный-функции должным образом даже после многих лет эксплуатации.7. Доступны герметичные или закрытые линейные конструкции.Посылка включает в себя:1 шт. x линейный Sacle1 шт. x L Пластина1 шт. x кронштейн1 шт. х мешок винта





-
Cable length3 Meter
-
Grating pitch0.02mm (50LP/min)
-
Input voltage5V
-
Normal sizeAbout 22*34
-
PlugDB9
-
Protection classIP54
-
Resolution0.005mm
-
SignalTTL
-
Total (overall) lengthTravel length + 106mm (0-1126mm)
-
Travel (measuring) length0~1020mm
-
Вес логистики2.000
-
Каждая упаковка1
-
Минимальная единица измерения100000015
-
Название брендаconfevis
-
Номер моделиKA300
-
Продано Вsell_by_piece
-
ПроисхождениеКитай
-
Размер логистики - высота (см)10
-
Размер логистики - длина (см)72
-
Размер логистики - ширина (см)10
-
СертификацияЕвропейский сертификат соответствия





