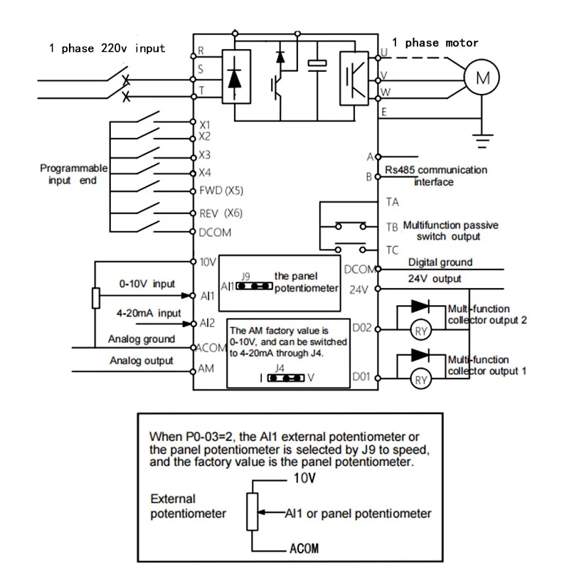
Однофазный однофазный преобразователь частоты VFD AT2 220 кВткВт и однофазный выходной преобразователь частоты для однофазного двигателя
BenYuan VFD Store - Надежность 92%
Более 80 подписчиков, дата открытия магазина 19.05.2021
- Положительные оценки: 94% (238)
- Соответствие описанию: 92%
- Отвечает на сообщения: 90%
- Скорость отправки: 92%
Последнее обновление: 23.05.2022
VFD AT2 0.45 кВт/0.75 кВт/1.5 кВт/2,2 кВт однофазный 220 В и однофазный преобразователь частоты для однофазного двигателя
1. Выходная мощность: 0.75 кВт/1.5 кВт/2.2 кВт/3 кВт/4 кВт
2. Номинальный ток:4A/7A/10A/13A/16A
2. Номинальная частота: 50 Гц/60 Гц
3. Диапазон выходной частоты: 0 ~ 650 Гц
4. Диапазон входного напряжения:Однофазный (1 фаза) 220V ± 15%
5. Диапазон выходного напряжения:1Фазы 220V ± 15%
6. Способ управления: векторное управление (SVC) V/F
7. Пусковой момент: G Тип машины: 0,5 Гц/150%( SVC)
8. Основная функция: контроль и регулировка скорости двигателя переменного тока
-
Вес1.3KG
-
Вес логистики1.000
-
Выходная мощность1-200КВТ
-
Выходной ток0.75kw 4A/1.5kw 7A/2.2kw 10A
-
Индивидуальное изготовлениеДа
-
Каждая упаковка1
-
Минимальная единица измерения100000015
-
Название брендаNFLIXIN
-
Номер модели9600
-
Продано Вsell_by_piece
-
ПроисхождениеКитай
-
Размер85mm*125mm*150mm
-
Размер логистики - высота (см)15
-
Размер логистики - длина (см)15
-
Размер логистики - ширина (см)15
-
СертификацияЕвропейский сертификат соответствия
-
ТипПреобразователи DC/AC
-
Тип выходаОдиночный
-
Частота на выходе0-400HZ
Отзывы покупателей
Страна: IT Color: 0.75KW(1HP) Доставка: Standard Shipping 04.12.2021
Идеальный продавец всегда в наличии и предмет идеально подходит всем рекомендую
Страна: FR Color: 1.5kw(2HP) Доставка: Standard Shipping 13.12.2021
Товар прибыл довольно быстро и выглядит нормально. Еще не был полностью протестирован.





