1 шт., планшетофон ESP32, планшетофон для Arduino
AOKIN Module Store - Надежность 95.75%
Более 12442 подписчиков, дата открытия магазина 28.07.2016
- Положительные оценки: 97% (4338)
- Соответствие описанию: 96%
- Отвечает на сообщения: 96%
- Скорость отправки: 94%
Последнее обновление: 03.04.2022
ESP32-DevKitC V4 руководство по запуску
Пожалуйста, свяжитесь с нами для получения инструкций, если вам нужно.
В этом руководстве показано, как начать использование платы разработки ESP32-DevKitC V4. Для описания других версий ESP32-DevKitC проверьте описание оборудования ESP32.
Что вам нужно
ESP32-DevKitC плата V4
Кабель USB A / micro USB B
Компьютер под управлением Windows, Linux или macOS
Вы можете пропустить раздел введения и перейти непосредственно в раздел начать разработку приложений.
Обзор
ESP32-DevKitC V4-это макетная плата ESP32 небольшого размера, изготовленная Espres-sif. Большинство контактов ввода/вывода разбиваются на штыревые разъемы с обеих сторон для легкого соединения. Разработчики могут подключать периферийные устройства к перемычным проводам или устанавливать ESP32-DevKitC V4 на макетной плате.
Для удовлетворения широкого спектра требований пользователей доступны следующие версии ESP32-DevKitC V4:
Различные модули ESP32
ESP32-WROOM-32
ESP32-WROOM-32D
ESP32-WROOM-32U
ESP32-SOLO-1
ESP32-WROVER
ESP32-WROVER-B
ESP32-WROVER-I
ESP32-WROVER-B (IPEX)
Штыревые разъемы для мужчин и женщин.
Для получения подробной информации, пожалуйста, обратитесь к Espre-ssif информации о заказе продукта.
Функциональное описание
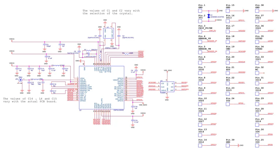
На следующем рисунке и в таблице ниже описаны ключевые компоненты, интерфейсы и элементы управления платы ESP32-DevKitC V4.













-
Вес логистики0.020
-
Индивидуальное изготовлениеДа
-
Каждая упаковка1
-
Минимальная единица измерения100000015
-
Название брендаAOKIN
-
Номер моделиESP32-WROOM-32D ESP32-WROOM-32U
-
ПрименениеКоммерческое производство
-
Продано Вsell_by_piece
-
ПроисхождениеКитай
-
Размер логистики - высота (см)2
-
Размер логистики - длина (см)6
-
Размер логистики - ширина (см)3
-
ТипЗапчасти для ручного инструмента




