1 шт. ЧПУ USB MACH3 100 кГц коммутационная плата 4 оси интерфейс драйвер контроллер движения ЧПУ USB MACH3 100 кГц коммутационная плата 4 оси в
Usongshine Store - Надежность 94.5%
Более 2361 подписчиков, дата открытия магазина 14.07.2014
- Положительные оценки: 96% (909)
- Соответствие описанию: 94%
- Отвечает на сообщения: 94%
- Скорость отправки: 94%
Последнее обновление: 04.03.2022
1 шт. ЧПУ USB MACH3 100 кГц коммутационная плата 4 оси Интерфейс драйвер контроллер движения
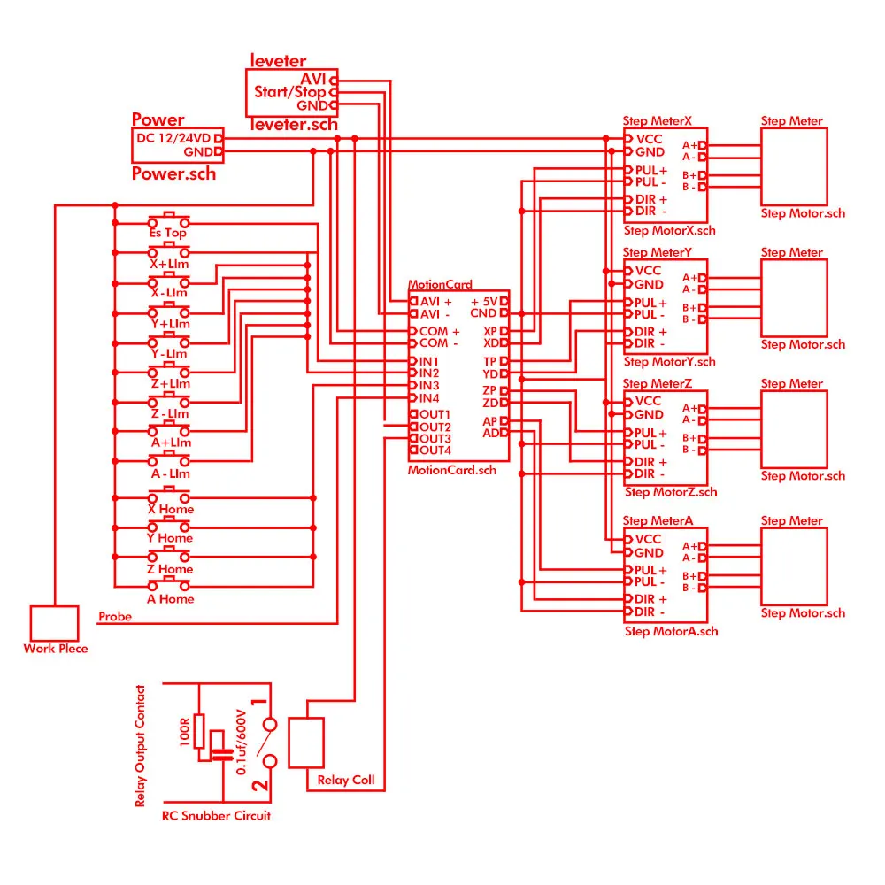
Описание:1. Поддержка для 4-осевого связь, вы можете подключить четыре привод шагового двигателя или; Сервоприводы2. Максимальная частота импульса 100 кГц, которая подходит для сервопривода или шагового двигателя;3. Поддержка автоматического зонда4. Поддержка аварийного ввода5. Поддержка концевого выключателя6. Поддержка подключения электронного маховика7. Необходимо использовать внешний источник питания постоянного тока 24 В для изоляции USB и внешнего порта и сделать систему более стабильной8. Есть выходной порт 0-10 В, вы можете использовать программное обеспечение mach3 для управления скоростью двигателя шпинделя.9. 4 входы общего назначения, вы можете подключить концевой выключатель, переключатель estop, переключатель зонда, обратно к нулю и другому устройству10. 4 изолированный выходной интерфейс релейного привода общего назначения, может управлять четырьмя реле для управления запуском шпинделя, вращением вперед и обратным вращением, насосами и другим устройством11. 1 светодиодный статус, укажите Статус подключения на плате
Размер: 8x7, 7 см/3.15x3.03 дюймаКоличество: 1 комплектПримечание:Допускается ошибка в 1–3 мм из-за измерений вручную Пожалуйста, убедитесь, что вы не возражаете, прежде чем сделать ставкуИз-за разницы между различными мониторами изображение может не отражать фактический цвет изделия. Спасибо!
Посылка:1 x карта контроллера USB CNC1 х USB кабель1 x CD






-
colorred
-
frequency100KHz
-
Quantity1 Set
-
Size8x7.7cm/3.15x3.03inch
-
Вес логистики0.150
-
Каждая упаковка1
-
Минимальная единица измерения100000015
-
Название брендаНет
-
Номер моделиA115-MACH3-R
-
ПитаниеDC
-
Продано Вsell_by_piece
-
ПроисхождениеКитай
-
Размер логистики - высота (см)10
-
Размер логистики - длина (см)10
-
Размер логистики - ширина (см)10
-
СертификацияЕвропейский сертификат соответствия
-
Тип двигателяШаговый двигатель





