Беспроводной Стерео FM радио модуль приемника PCB FM DIY электронные Наборы 76 МГц-108 МГц DC 1,8 V-3,6 V
Назначение комплекта:
1. Набор различных электронных компонентов: множество электронных компонентов, резисторов, конденсаторов, индукторов, диодов, интегральных схем, разъемов для наушников, кнопок и т. д., много видов основных компонентов.2. Обучение электронике.3. Практическая способность.4, особенно подходит для использования эпоксидной PCB Сварки студентов использовать, а не для общего использования на бумажной основе!Частотный диапазон: FM 76-108 МГц
Преимущества:
Электронные энтузиасты или электронное производство электронных студенческих классов, в частности, чтобы оптимизировать расположение элементов в соответствии с новичком, эта посылка легко изготовить и установить высокий уровень успеха! Так как он был использован во многих школах, поэтому мы знаем его производительность. Этот комплект не просто сварочная сборка, а также настраивает свои руки и спиральная катушка для волос, более забавная, это лучше, чем другой простой набор для сборки. Главное преимущество использования гарнитуры также заключается в учете шума учеников в классе!
Особенности и использование:
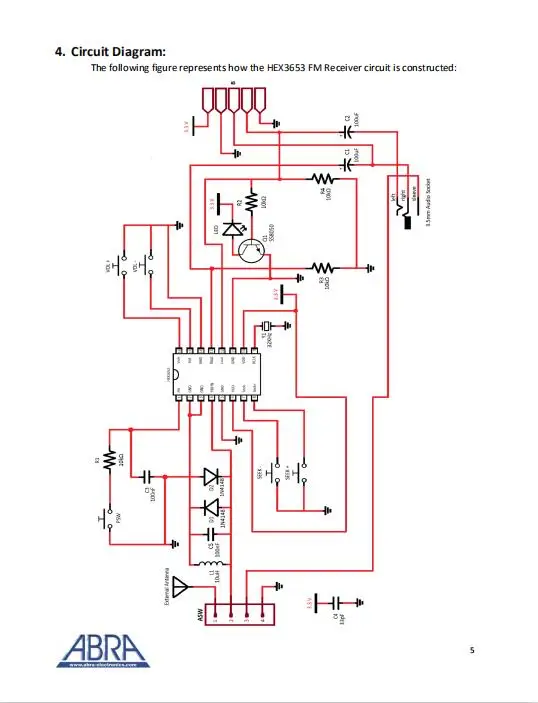
Fm-радио программа имеет богатое, хорошее качество звука и т. Д. По всему запуску свою собственную fm-радиостанцию. В набор входит FM радио сканирования карманных компьютеров с помощью специальных блоков, 16-контактный диагностический двойной плоский посылка, диапазон рабочего напряжения 1,8-3,6 V, цепь включает в себя fm-радиоприемник от антенны до частотного дискрикатора, выходной звуковой сигнал всех функций, он также имеет схему настройки поиска, цепь обнаружения сигнала, Отключение звука и компрессионная частота смещения замкнутого контура FLL. Если частота цепи рассчитана на 70 кГц, периферийные цепи без трансформатора промежуточной частоты, где частота выбирается внутренней цепи RC, если фильтр для завершения. Самолет, такой как цифровой радио тюнер, который использует электрические настройки кнопки (SEEK +, SEEK-), в дополнение к кнопкам регулировки громкости (VOL +, VOL-) И кнопка питания (PW). После включения цепи Нажмите кнопку питания, схема начинает работать, нажмите кнопку «SEEK +» для поиска высокочастотного или низкочастотного нажатия «SEEK-радиочастотный Поиск», автоматический поиск радиосигналов, настройка автоматически останавливается, затем нажмите на кнопку поиска, если цепь продолжает поиск радиостанций. Частотный диапазон 76-108 МГц. Оба приема универсальной FM станции могут быть получены школы кампуса радиостанции.














