Умный клапан для воды Tuya с Wi-Fi, совместимый клапан с функцией таймера, дистанционным управлением через приложение, с устройством управления отключением Alexa Google Home
All-In 777 Store - Надежность 88.25%
Более 940 подписчиков, дата открытия магазина 09.04.2020
- Положительные оценки: 89% (2014)
- Соответствие описанию: 88%
- Отвечает на сообщения: 88%
- Скорость отправки: 88%
Последнее обновление: 03.03.2022
Описание:
【RemoteУправляемый пульт дистанционного управления для мобильного телефона. Питание клапанаTUYA, вы можете закрыть или открыть клапан автоматически с помощью смартфона noНезависимо от того, где вы... Если вы находитесь вдали от дома, мобильный телефон можетУправляйте дистанционно, Откройте клапан для поливаФермы, поливать сад и закрывать газовый клапан.
【WiFi】 поддержка только 2,4G WiFi, необходимо использовать в пределах WiFi покрытия
ВУмный клапан Wi-Fi совместим с Amazon Alexa и Google HomeПомощник, позволяет выключить/включить водяной клапан через ваш голос
Совместим с водяными трубными шаровыми клапанами, электрическим, ручным управлениемПереключатели и природный/Жидкий/водопроводной газ, подходит для контроля водыКлапаны, клапаны природного газа, наполняющие бассейны, сельскохозяйственные поливные растения
【Bluetooth, WiFi двойной режим 】 два способа подключения, когда WiFiНенормально, вы можете использовать Bluetooth для подключения для контроля близкого расстояния.
【НесколькоUses】 подходит для автоматического управления водяным шаромКлапаны, электрические, ручное управление ВКЛ и ВЫКЛ, для открытия газового клапана иЗакрытие, также подходит для Саморегулирующихся выключателей клапанов, таких какЖидкости и другие гассы
【Timing】установите время, чтобы автоматически открыть или закрыть клапан
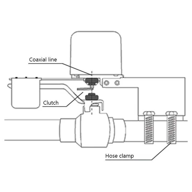
ВЧтобы предотвратить отключение электроэнергии, вызванное невозможностью использования, естьРучная муфта в нижней части устройства с выдвижным кольцом, что позволяетДля перемещения рычага, чтобы закрыть или открыть клапан
Применяется для новых и старых газовых водопроводных клапанов, нет дополнительных трубопроводов, пользователи могут установить их сами
Обновленный клапан:
1. Это фиксированная двойная hoseclamp из нержавеющей стали и подходит для клапана разных размеров. Прочность фиксации в двадцать раз больше, чем у старых
2. Отрегулируйте высоту кронштейна и подходит для большего клапана. Убедитесь в большем крутящем моменте с помощью двойных винтов.
3. Отрегулируйте высоту и прочность монтажной рукоятки, чтобы она подходила для ручек разных размеров (трубы до 1-1/2). Убедитесь, что клапан можно выключить прочно.
Характеристики:
Напряжение источника питания: 12 В/1 А
Коммуникационные технологии: WIFI Tuya
Частота связи: 2,4G
Беспроводное расстояние (наружное): 30 м
Давление клапана: 1,6 МПа
Клапан Технические характеристики: 4 точек касания, 6 баллов на руку, ширина 1 дюйм, 1,25 дюйм (ов)
Автоматическое время закрытия клапана: 5 ~ 10 секунд
Время открытия автоматического клапана: 5 ~ 10 секунд
Крутящий момент: 30 ~ 60 кг. См
Посылка включает в себя:
1. Хост-компьютер 2. Руководство 3. Адаптер 4. Набор зажимов для труб
Примечания:
Руководство по установке
1. Установка контроллера клапана должна быть на одной оси между осью контроллера клапана и центральной осью клапана, в противном случае клапан не может быть полностью закрыт и открыт.
2. После установки регулятора клапана, тяговое кольцо сцепления может быть вытянуто вручную, и ручка контроллера может быть переключена вручную, чтобы проверить, находится ли переключатель клапана на месте.
3. Подключите адаптер питания.










-
Communication frequencyCo 2.4G
-
Communication technologyC WIFI Tuya
-
Power supply voltage12V/1A
-
Supportdropshipping
-
Valve pressure1.6Mpa
-
Wireless distance (outdoor)Wireles 30m
-
Вес логистики0.722
-
Каждая упаковка1
-
Минимальная единица измерения100000015
-
Название брендаНет
-
Номер моделиTuya WiFi Valve
-
Продано Вsell_by_piece
-
ПроисхождениеКитай
-
Размер логистики - высота (см)9
-
Размер логистики - длина (см)19
-
Размер логистики - ширина (см)10
-
СертификацияNONE
Отзывы покупателей
Страна: HU Ships From: SPAIN Color: EU Доставка: Seller's Shipping Method - ES 26.08.2021
Отлично, спасибо.





