Домашний 7-дюймовый монитор, 2 провода, видеодомофон 2C, 1200TVL, камера, дверной звонок, домофон для квартиры
HSmartcam Official Store - Надежность 95%
Более 1456 подписчиков, дата открытия магазина 11.03.2013
- Положительные оценки: 96% (520)
- Соответствие описанию: 96%
- Отвечает на сообщения: 94%
- Скорость отправки: 94%
Последнее обновление: 11.04.2022

Система поддерживает шесть различных языков: английский, русский, французский,Арабский, Испанский, японский.

Внутренний монитор изготовлен из акриловой проволочной панели и TFT дисплея, очень элегантный дизайн, он принимает передовые технологии касания. Чувствительный синий и красный светильник.

Основные характеристики-монитор
Сенсорные кнопки:Сенсорная кнопка с синим и красным задним светильник светодиодный сделает монитор модным и красивым.
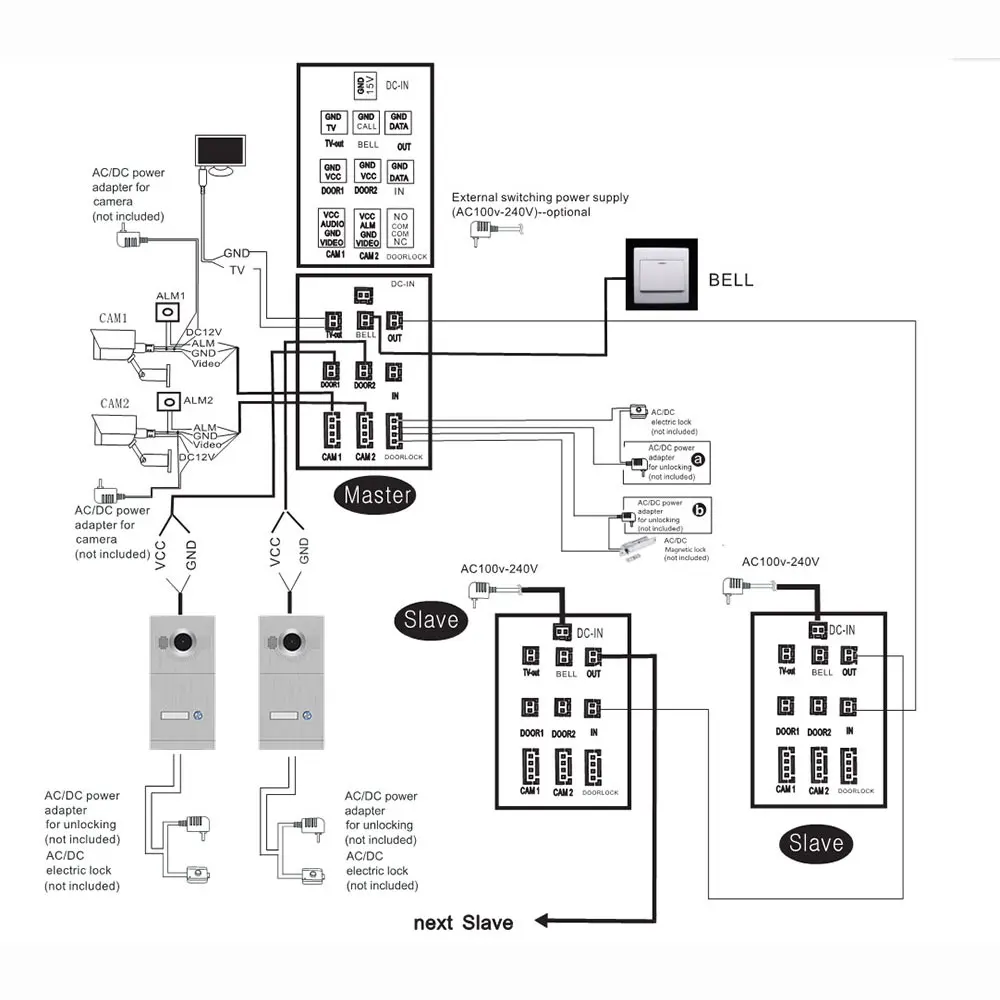
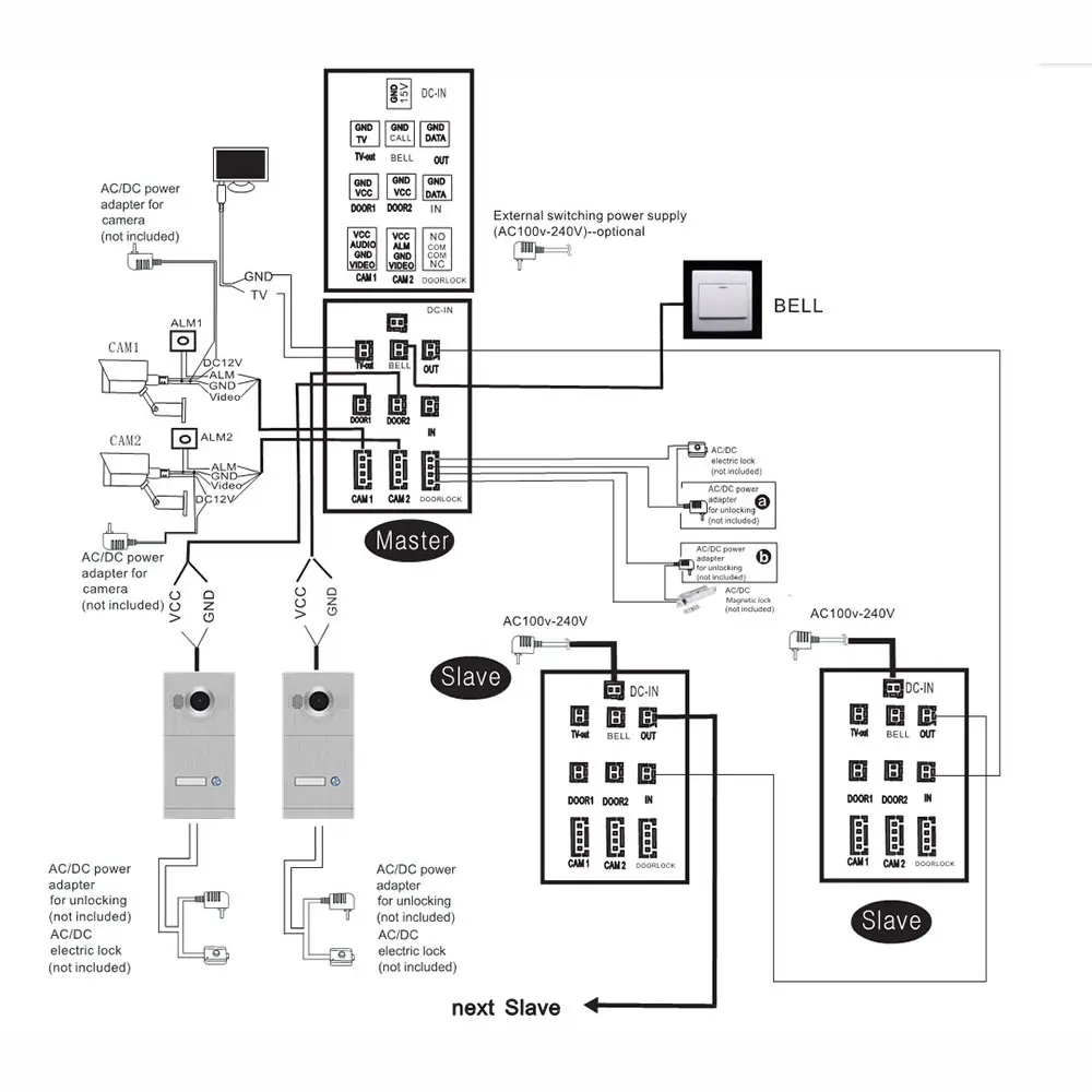
Различные интерфейсы:Поддержка 2 наружных видео камеры дверной звонок телефон, 2 камеры безопасности, slave крытый монитор и т. Д.,
Акриловая проволочная панель для рисования материал:Тонкий дизайн, подчеркивает благородное качество.
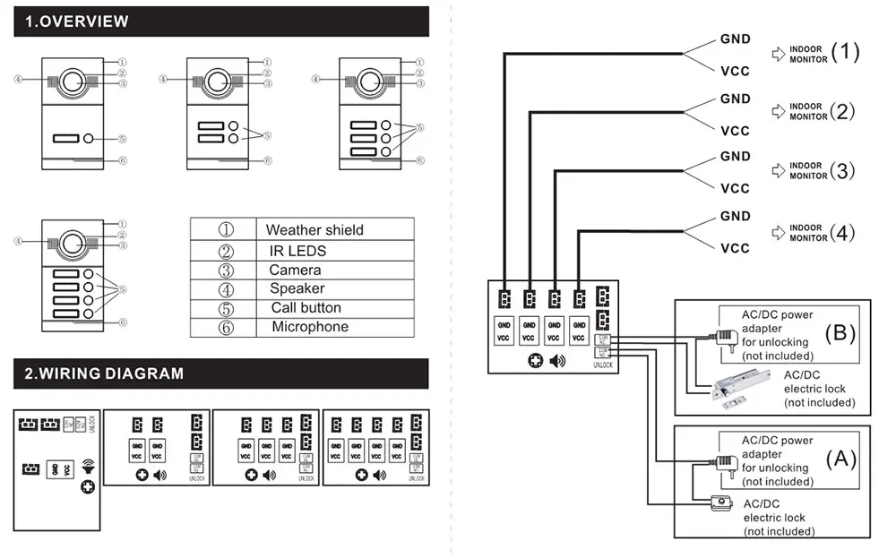
Основные характеристики-дверной звонокИзготовлен из цинкового сплава, устойчив к погодным условиям, предотвращает повреждение.

Этот набор для видеодомофона 7 дюймов поддерживает подключение с PIR детектором, аналоговой камерой и электронным замком. Он может защитить ваш дом и собственность во всех аспектах.
Пожалуйста, обратите внимание: установка PIR отдельно может быть только для будильника, работать с камерой вместе может сигнализация и запись видео.
Система внутренней связи виллы

Этот товар без использования рук и доступен для двусторонней связи. Он поддерживает связь между внутренним монитором и наружной камерой, но также поддерживает связь между монитором и монитором.

Инфракрасная камера ночного видения: Улучшенная функция инфракрасного освещения позволяет идентифицировать посетителей даже в ночное время.


7 дюймов TFT дисплей, акриловое волокно для волочения проволоки Панель
Кнопка Tuch Sensor, с хранилищем
Каждая панель вызова может устанавливать различные мелодии звонка
Поддержка 2 панели вызова + 4 внутренних монитора + 2 камеры CCD и сигнализации
Дверной ответ/разблокировка/мониторинг/внутренний монитор Интерком (интерком от комнаты к комнате)
Дополнительные видео или изображения при тревоге
Свободный набор времени разблокировки
Регулируемый цвет, яркость и громкость
Встроенная память может сохранять 80 фотографий, поддерживает внешний Макс. 32 Гб SD Cad
12 мелодий на выбор
EM706 внутренний монитор
Монитор и разрешение
7 "TFT LCD, 800*480
Память
Встроенная память может сохранять 80 фотографий, поддержка внешней карты памяти Макс. 32 Гб SD
Код внутренней связи
Двусторонняя связь без использования рук
Задержка вызова
120s
Клавиатура
Сенсорная кнопка
Потребляемая мощность
Внешняя мощность постоянного тока 12 В; Режим ожидания: 3 Вт; Работа: 5 Вт
Материал
Акриловая проволочная панель для рисования
Запись
Изображение: формат Jpeg; Vide: Формат Avi
Поддержка
2 панели вызова + 4 внутренних монитора + 2 аналоговых камеры и 2 PIR
Рабочая температура
-10 °C + 60 °C
Установка
Монтируемая поверхность

Когда кто-то звонит в дверной звонок, монитор, вставленный с sd-картой, будет записывать изображение или видео автоматически. Если sd-карта не применяется, монитор будет только записывать изображение. Встроенная память может сохранять 80 фотографий, с sd-картой, вы можете настроить режим записи на видео. Когда sd-карта будет заполнена, самое раннее записанное видео будет удалено автоматически.

Блок наружной камеры 668HD
Датчик камеры
1/3 "CMOS, 1200TVL-Line высокое разрешение
Объектив
3,7 мм HD Пинхол объектив,Широкоугольный (68 °-90 °)
Ночное видение
ИК-светильник, 3 шт. ИК-светодиодов
Электронный замок
Поддержка
Энергопотребление
Макс. 200 мА
Питание
Поставляется с внутреннего монитора
Материал
Панель из алюминиевого сплава
Водонепроницаемый
Рабочая температура
-40 °C + 50 °C
Установка
Монтируемая поверхность




1 внутренний монитор
1x адаптер питания (если выбратьВстроенный блок питания, не имеет этого адаптера питания)
2x200 мм 4 Pin Connerctor
1x Руководство пользователя на английском языке
1 наружная панель вызова
3x200 мм 2-контактный разъем, производство Китай
2x винтовая сумка
-
Camera MaterialAluminum alloy
-
Camera Sensor1/3"CMOS, 1200TVL
-
Ip камера интерфейсНет
-
LanguagesEnglish, Russian, French, Arabic, Spanish,Japanese...
-
LCD MaterialAcrylic Wire Drawing Panel
-
Memory86 Pictures, Support Max.32G SD Card
-
Resolution800(H)*3(RGB)*480(V), HD Pinhole Lens
-
Samrt интерфейсНет
-
Support2 call panel + 4 indoor monitor+ 2 Analog camera
-
waterproof:YES
-
Вес логистики1.900
-
ВодонепроницаемостьДа
-
Дверной звонокДа
-
Зона вход4
-
Интерфейс связиПроводное
-
Каждая упаковка1
-
КамераColor
-
Контроль доступаНет
-
Конфигурация комплектаВидео домофон один на один
-
Материал корпусаCase Aluminum alloy
-
Минимальная единица измерения100000015
-
Мощность12V
-
Название брендаHSmartcam
-
Номер моделиHD-82706-82214
-
Продано Вsell_by_piece
-
ПроисхождениеКитай
-
Размер/
-
Размер логистики - высота (см)10
-
Размер логистики - длина (см)30
-
Размер логистики - ширина (см)18
-
Размер сенсора (дюймы)1/3
-
Размер экрана дисплея (дюймы)7
-
Разрешение> 420 ТВ Линий
-
Режим автоответчикаГромкая связь
-
СертификацияЕвропейский сертификат соответствия
-
Способ подключенияПроводное
-
ТехнологияANALOG
-
ТипСистема домофона
-
Тип датчика камерыCMOS
-
Тип экрана дисплеяЦветной сенсорный экран
-
Угол обзора (°)92
-
УстановкаНа стену
-
Штепсельная вилкаКитайская (AU)
Отзывы покупателей
Страна: DE Color: HD-82706 Доставка: Seller's Shipping Method 22.08.2021
Top Ware, einwandfrei angekommen.
Страна: FR Color: HS-82214-1 Доставка: Seller's Shipping Method 25.08.2021
Parfait!





