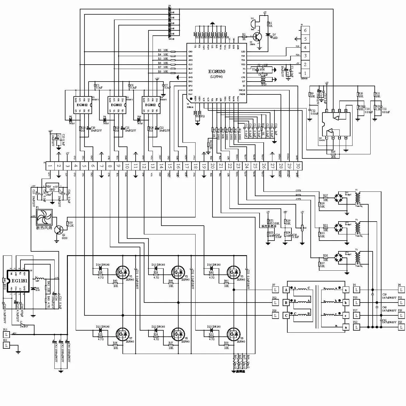
Egp3000w Трехфазная система инвертор с немодулированным синусоидальным сигналом плата питания (пустая панель) UPS EPS
960,99₽
1 000,23₽ -9%
В наличии!
KACOM Store - Надежность 93.5%
Более 315 подписчиков, дата открытия магазина 20.02.2021
- Положительные оценки: 94% (339)
- Соответствие описанию: 94%
- Отвечает на сообщения: 94%
- Скорость отправки: 92%
Последнее обновление: 30.05.2022






