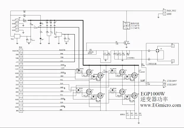
Плата питания инвертора немодулированного синусоидального сигнала EGP1000W, плата драйвера микросхемы EG8010
546,05₽
В наличии!
WhatSell DKK Store - Надежность 94.25%
Более 448 подписчиков, дата открытия магазина 12.10.2020
- Положительные оценки: 95% (304)
- Соответствие описанию: 94%
- Отвечает на сообщения: 94%
- Скорость отправки: 94%
Последнее обновление: 19.09.2024





