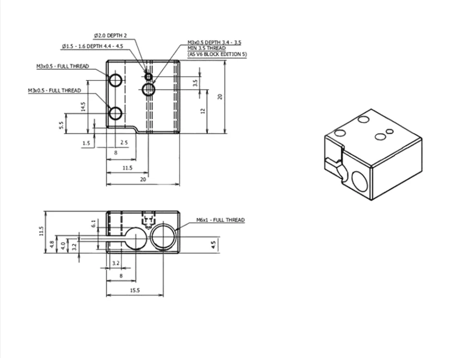
Детали для 3D-принтера V5 V6 MK7 MK8 MK10 Volcano cr10, 2 шт., блок с подогревом для E3D J-head, экструдер, алюминиевый блок
IdeaFormer Store - Надежность 97.5%
Более 14400 подписчиков, дата открытия магазина 27.03.2017
- Положительные оценки: 98% (6903)
- Соответствие описанию: 98%
- Отвечает на сообщения: 98%
- Скорость отправки: 96%
Последнее обновление: 18.09.2024
Отзывы покупателей
Страна: RU Color: MK10 Size: 2PCS Доставка: Saver Shipping 30.04.2021
отверстие под термистор сделано неглубоким и расположено так, что глубже не просверлишь. Всё равно буду пробовать, посмотрим насколько это критично. Также нет возможности зафиксировать нагревательный элемент, нет отверстия и резьбы под винт М3. Зато положили кучку винтов М3 и две гильзы, которые, как я понял, нужны под открытый термистор.






Описание товара











