NF частотно-регулируемым приводом 220V до 380V 0,751,52,24 кВт 2hp частотно-регулируемый привод ЧПУ приводной преобразователь для мотора с 3 фазами Скорость Управление
NFLIXIN inverter factory Store - Надежность 94.5%
Более 109 подписчиков, дата открытия магазина 15.09.2020
- Положительные оценки: 96% (73)
- Соответствие описанию: 94%
- Отвечает на сообщения: 96%
- Скорость отправки: 92%
Последнее обновление: 01.03.2022
1. Вход:1 фаза 220V ± 15%
2. Диапазон выходного напряжения:3 фазы 380 В (415 В) ± 15%
3. Выходная мощность:0.75 кВт/1.5 кВт/2.2 кВт/4 кВт/5.5 кВт/7.5 кВт/11 кВт
4. Номинальный ток:2.5A/3.7A/5A/8.5A/13A/16A/25A
5. Номинальная частота: 50 Гц/60 Гц
6. Диапазон выходной частоты: 0 ~ 650 Гц
7. Способ управления: открытый цикл векторного управления (SVC)V/F
Уважаемый покупатель:
На рисунке ниже представлена коллекция наших руководств по продуктам VFD, вы можете нажать, чтобы прочитать подробную информацию.
Если вы выбираете Эта ссылка продукта: однофазный 220V вход переменного тока, трехфазный 380V частотно-регулируемым приводом, пожалуйста, перейдите по ссылке на the9100 серии руководство пользователя.
Преобразователь частоты 220 В до 380 В предназначен для решения проблемы, что двигатель электрического оборудования 380 В трехфазный, но нет трехфазного питания 380 В вокруг него, но только в том случае, 220V однофазный источника питания. Конкретное решение может сослаться на следующие предложения:
А. Если трехфазный двигатель 380V сам по себе является звездным соединением, его можно изменить на треугольное соединение. В это время двигатель становится трехфазным электродвигателем 220 В, используя наш преобразователь 220 В для преобразования однофазного 220 В в Трехфазный 220 в, тот же уровень мощности выбор может решить проблему (220 В конвертер покупка может нажать на эту ссылку);
B. Если трехфазный двигатель 380V сам по себе является треугольным соединением, его нельзя решить, изменив его метод подключения. Мы должны использовать наш конвертер 220 В-380 В для решения проблемы и обратить внимание на выбор.
C. Идентификация соединений двигателя может быть указана на следующем рисунке:
Figure1-это мотор, соединенный со звездой.
Рис. 2-Треугольный Соединительный мотор.
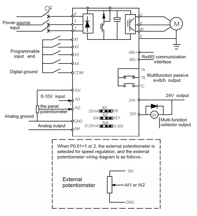
● Особенности периферийного интерфейса
Программируемый цифровой вход: 4 входа
Программируемый аналоговый вход: AI1: 0 ~ 10 в вход, AI2: 0 ~ + 5 В или панель потенциометра вход
Выход открытого коллектора: 1 выход
Релейный выход: 1 выход
Аналоговый выход: 1 выход, опционально 4 ~ 20 мА или 0 ~ 10 в
● Технические характеристики
Управление: pg-бесплатный Векторный контроль, V/F контроль
Пусковой крутящий момент: без векторное управление: 0,5 Гц/150% (SVC)
Соотношение скорости: без PG векторное управление: 1: 100
Точность контроля скорости: векторное управление PG: ± 0.5% от максимальной скорости
Несущая частота: 0,5 k ~ 15,0 кГц
● Особенности
Режим настройки частоты: Цифровая настройка, аналоговая Настройка, серийная Настройка связи, многоскоростная, PID Настройка.
Функция управления PID
Мульти-функция контроля скорости: 8-Управление скоростью
Функция управления частотой качания
Мгновенное отключение питания без функции остановки
Функция клавиш REV / JOG: пользовательские многофункциональные клавиши быстрого доступа
Функция автоматической регулировки напряжения: Когда напряжение сети изменяется, выходное напряжение может автоматически поддерживаться постоянно
Обеспечивает до 25 видов защиты от неисправностей: перегрузки по току, перенапряжения, перенапряжения, перегрева, потери фаз, перегрузки и другой защиты.
Оплата 1. Пожалуйста, совершите оплату путем безопасной оплаты заранее.
2. Пожалуйста, напишите свой подробный адрес доставки, контактную информацию и номер телефона при оплате, этоОчень важно успешно доставить посылка. Пожалуйста, убедитесь, что ваш адрес в Aliexpress совпадает с вашим адресом доставки, прежде чем платить.Специально для российских клиентов необходимо указать полное имя (имя, имя, фамилию).Большое спасибо.
3.Мы не несем ответственности за любые таможенные пошлины или налог на импорт.Пожалуйста, свяжитесь с таможней вашей страны, чтобы определить, какие дополнительные расходы будут понесены до торгов/покупки.
Доставка 1. Вся посылка является стандартной бумажной упаковкой или деревянной упаковкой для большого заказа.
2. Пожалуйста, обратите внимание на дату доставки, используя различные виды экспресс-доставки, поэтому, пожалуйста, выберите правильную доставку в соответствии с вашими потребностями.
3. Если Вы готовитесь к большому заказу, пожалуйста, свяжитесь с нами, если хотите доставку любым другим способом.
4. Все пакеты будут отправлены с номером отслеживания.
Отзывы Ваш положительныйОтзывы высоко ценятся. Мы гарантируем качество нашей продукции. Каждый товар будетТщательно проверяется перед отправкой.Пожалуйста, немедленно свяжитесь с нами, если есть какие-либо причины.Мы всегда сделаем все возможное, чтобыУдовлетворенность клиентов.
Если вы удовлетворены нашими продуктами и обслуживанием, пожалуйста, оставьте положительный отзыв
Отзывы для нас,Это очень важно для нас. Большое спасибо заранее.
-
ApplicationsUniversal
-
Control methodV/F
-
Input VoltageSingle phase 220V
-
Ouput Voltage3 phase 380V
-
Power0.75kw/1.5kw/2.2kw/4kw/5.5kw/7.5kw/11kw
-
Вес3KG
-
Вес логистики1.000
-
Выходной ток2.5A/3.7A/5A/8.5A/13A/16A/25A
-
Индивидуальное изготовлениеДа
-
Каждая упаковка1
-
Минимальная единица измерения100000015
-
Название брендаНет
-
Номер модели9100
-
Продано Вsell_by_piece
-
ПроисхождениеКитай
-
Размер150mm*220mm*172mm
-
Размер логистики - высота (см)35
-
Размер логистики - длина (см)35
-
Размер логистики - ширина (см)35
-
СертификацияЕвропейский сертификат соответствия
-
ТипКонвертеры DC/DC
-
Тип выходаТройной
-
Частота на выходе0-650HZ
Отзывы покупателей
Страна: UA Color: 4kw 220vTO380v Input Voltage: Single phase 220V Output Voltage: 3 phase 380V Ships From: Russian Federation Доставка: IML Express 14.05.2021
все отлично . спасибо большое





