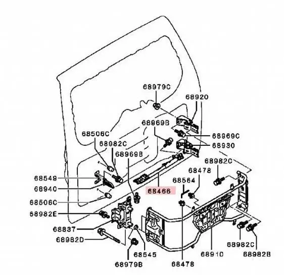
1 шт., задняя дверь для Pajero Montero IV 4-го 2006-2018 и V73 2000-2006 V77 V97 V93
X car paerts Store - Надежность 95.75%
Более 7866 подписчиков, дата открытия магазина 26.09.2017
- Положительные оценки: 97% (1320)
- Соответствие описанию: 96%
- Отвечает на сообщения: 94%
- Скорость отправки: 96%
Последнее обновление: 28.03.2022
Цена за 1 штуку, оригинальный стиль. Выберите v97 или v73, они не делятся. Оставьте сообщение, чтобы спросить, не знаете ли вы, как выбрать. Детали OE.
Полный спектр автозапчастей оригинальный в наличии.
Если нет на веб-сайте, вы можете оставить сообщение, чтобы спросить.
Мы ответим вам в течение 1 часа в рабочий день.
Описание Тип материала: PC + ABS
5 звезд отзывы будут оценены!


















-
Вес логистики0.700
-
Другая часть номер5822A020
-
Каждая упаковка1
-
Минимальная единица измерения100000015
-
Название брендаDTEXP
-
Номер детали производителя5822A001
-
Особые характеристикиMontero IV
-
Подходит для лампыРамки
-
Продано Вsell_by_piece
-
ПроисхождениеКитай
-
Размер логистики - высота (см)60
-
Размер логистики - длина (см)9
-
Размер логистики - ширина (см)15
-
Разработчик оборудовния №.Pajero
-
Тип материалаABS
Отзывы покупателей
Страна: CL Color: v97 Доставка: Standard Shipping 22.10.2021
Он отлично работает, сначала он приходит заблокированным, и вы должны закрыть дверь сильно, чтобы она работала. Он отправил его вовремя. Очень доволен продуктом.





