Инверторные преобразователи частоты NFlixin, 0,75 кВт1,5 кВт220 кВт, DC200V-400V в, для погружных двигателей и насосов, вход
NFLIXIN inverter factory Store - Надежность 94.5%
Более 109 подписчиков, дата открытия магазина 15.09.2020
- Положительные оценки: 96% (73)
- Соответствие описанию: 94%
- Отвечает на сообщения: 96%
- Скорость отправки: 92%
Последнее обновление: 10.03.2022
1. Вход: 200 В ~ 400 В постоянного тока (Лучше всего подходит для 310-330 в) Или 1 фаза 220 ± 15%
2. Диапазон выходного напряжения:3 фазы 220 В ± 15%
3. Выходная мощность: кВт/4 кВт/кВт
4. Номинальный ток:4A/7A/10A/16A/20A/30A
5. Номинальная частота: 50 Гц/60 Гц
6. Диапазон выходных частот: 0 ~ 650 Гц
7. Способ управления: открытый цикл векторного управления (SVC)V/F



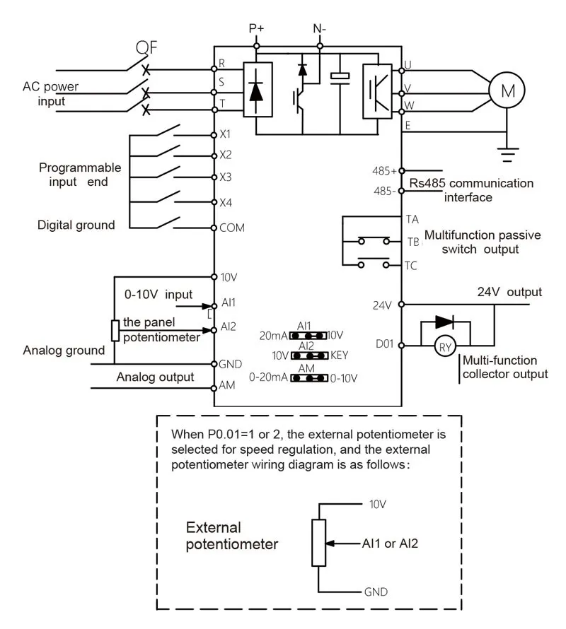
● Особенности периферийного интерфейса
Схематическая схема




У нас есть опытные инженеры, научное производство и команда менеджмента с строгими системами контроля качества, частотный инвертор оснащен расширенными функциями, как показано ниже:01 V/F Управление, векторное управление и управление выходным крутящим моментом;02Built-in RS-485 интерфейс связи03 компактный размер, простота установки;04 с потенциометром скорости и внешней панелью;5. Синхронное управление и пропорциональное управление синхронизацией;0616 скромный контроль скорости, может работать автоматически;07 можно выбрать несколько команд или частотных каналов;08 можно частично или полностью заблокировать клавиши (разблокировка аналогового потенциометра);09 реле, как правило, открытое или закрытое, и два выходных разъема высокой конфигурации имеют 100 видов дополнительных способов;106 цифровых оптоизолированных входов, 100 видов опций;113 аналоговый вход, 1 канал аналогового выхода;12. Имея функцию частоты текстильного маятника, он может широко применяться для многих видов текстиляОборудование;13встроенный пользовательский таймер/счетчик;14 Встроенная функция регулирования PID для облегчения контроля температуры по замкнутому контуру,Давление и напряжение.15. При нулевой скорости может достигать выходного момента 0-100% регулируемого крутящего момента, с нулевым тормозомФункция, вместо применения иностранного инвертора на грузовом лифте и кране.
Оплата1. Пожалуйста, Произведите оплату безопасной оплатой заранее.
2. Пожалуйста, укажите свой подробный адрес доставки, контактную информацию и номер телефона при оплате, это очень важно, чтобы посылка была успешно доставлена. Перед оплатой убедитесь, что ваш адрес в Aliexpress совпадает с вашим адресом доставки.Специально для российских покупателей необходимо указать полное имя (имя, среднее имя, фамилию).Большое спасибо.
3.Мы не несем ответственности за любые таможенные пошлины или налог на импорт.Пожалуйста, свяжитесь с таможней вашей страны, чтобы определить, какие дополнительные расходы будут возникать перед подачей заявки/покупкой.
Доставка1. Посылка-это стандартная бумажная коробка или деревянная упаковка для большого заказа.
2. Пожалуйста, обратите внимание на дату доставки с помощью другой экспресс-доставки, поэтому, пожалуйста, выберите правильную доставку в соответствии с вашими потребностями.
3. Если вы готовы к большому заказу, пожалуйста, свяжитесь с нами, если вы хотите доставку другим способом.
4. Все посылки отправляются с номером отслеживания.
ОтзывыМы высоко ценим ваши положительные отзывы. Мы гарантируем качество нашей продукции. Каждый товар тщательно проверяется перед отправкой. Пожалуйста, немедленно свяжитесь с нами, если у вас есть какие-либо пожелания. Мы всегда сделаем все возможное, чтобы клиент был доволен.
Если вы удовлетворены нашими продуктами и услугами, пожалуйста, оставьте положительный отзыв и пять звезд
Отзывы для нас,Это очень важно для нас. Заранее большое спасибо.
Свяжитесь с намиМы ответим на ваши запросы как можно скорее. Однако, обратите внимание, что у нас разница во времени 12-16 часов
С Западной Европой и разница во времени в 8 часов с США. Поэтому мы обещаем, что постараемся ответить в течение 24 часов.
Для оптового заказа, пожалуйста, свяжитесь с нами для получения подробной информации.
-
ApplicationsUniversal
-
Control methodV/F
-
Input Voltage1 phase 220V
-
Ouput Voltage3 phase 220V
-
Power0.75kw/1.5kw/2.2kw/4kw/5.5kw/7.5kw
-
Вес1KG
-
Вес логистики1.000
-
Выходной ток4A/7A/10A/16A/20A
-
Каждая упаковка1
-
Минимальная единица измерения100000015
-
Название брендаНет
-
Номер модели9100
-
Продано Вsell_by_piece
-
ПроисхождениеКитай
-
Размер220*150*130mm
-
Размер логистики - высота (см)15
-
Размер логистики - длина (см)15
-
Размер логистики - ширина (см)15
-
СертификацияЕвропейский сертификат соответствия
-
ТипКонвертеры DC/DC
-
Тип выходаТройной
-
Частота на выходе0-650HZ




