Хит! Трехфазный частотно-регулируемый привод NFLIXIN VFD 380 4 кВт для Испании, контроллер скорости, Инверторный двигатель, Инвертор VFD
NFLIXIN inverter factory Store - Надежность 94.5%
Более 109 подписчиков, дата открытия магазина 15.09.2020
- Положительные оценки: 96% (73)
- Соответствие описанию: 94%
- Отвечает на сообщения: 96%
- Скорость отправки: 92%
Последнее обновление: 28.03.2022
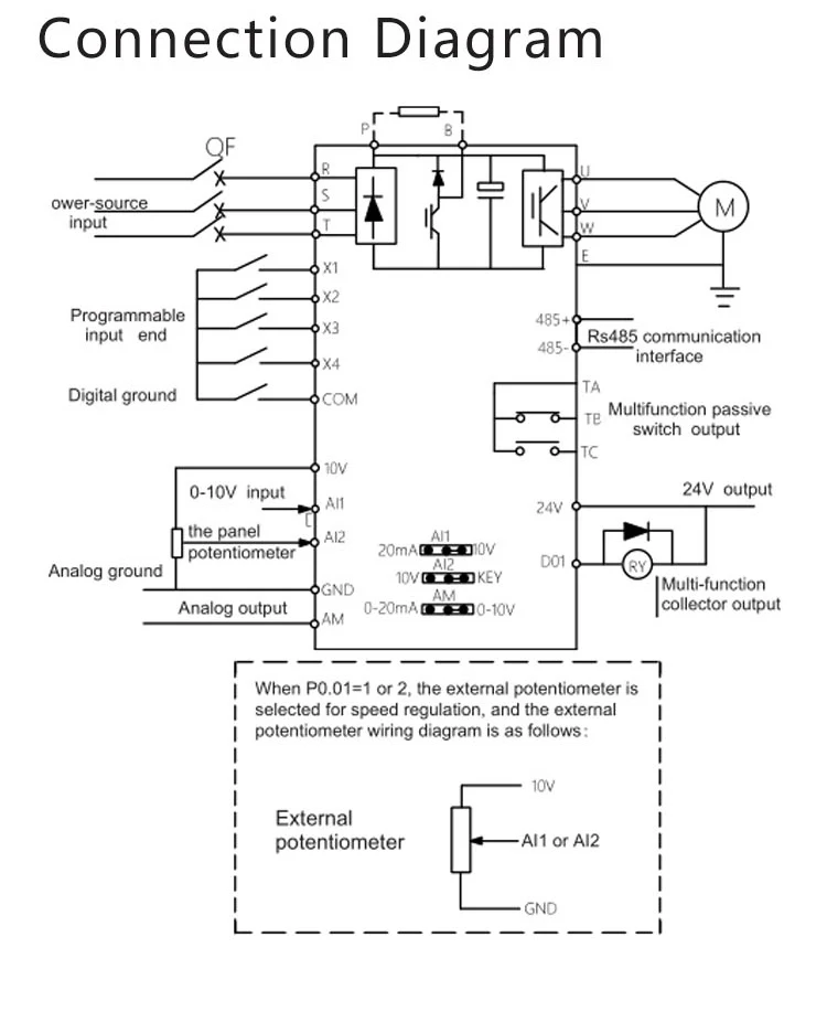
1. Вход: 3 фазы 380V ± 15%
2. Диапазон выходного напряжения:3 фазы 380V ± 15%
3. Выходная мощность: 0.75 кВт/1.5 кВт/2.2 кВт/4 кВт
4. Номинальный ток: 2.5A/3.7A/5A/8.5A
5. Номинальная частота: 50 Гц/60 Гц
6. Диапазон выходной частоты: 0 ~ 650 Гц
7. Способ управления: открытый цикл векторного управления (SVC)V/F
У нас есть сложные инженеры, научно-производственная команда и команда управления с строгими системами контроля качества, инвертор частоты оснащены передовыми функциями, как показано ниже:
01 V/F контроль, Векторный контроль и контроль крутящего момента на выходе;02 встроенный RS-485 интерфейс связи03 компактный размер, легко установить;04 с потенциометром скорости и внешней панелью;05 встроенный синхронный контроль и пропорциональное управление синхронизацией;06 16 контроль скорости скромный, может работать автоматически;07 можно выбрать несколько команд или частотный канал;08 можно достичь части или всех заблокированных клавиш (аналоговый потенциометр разблокировки);09 реле обычно открытое или закрытое и два выхода высокой конфигурации имеют 100 видов способов опционально;10 6 цифровых опто-изолированных входов, 100 видов способов опционально;11 3 аналоговых входа, 1 аналоговый выходной канал;12 имеет функцию частоты текстильного маятника, она может быть широко применена для многих видов текстильного оборудования;13 встроенных пользовательских таймеров/счетчиков;14 Встроенная функция регулирования ПИД для облегчения реализации замкнутого контроля температуры, давления и напряжения.15 при нулевой скорости, можно достичь выхода 0-100% регулируемого крутящего момента, с нулевой функцией торможения, вместо того, иностранное применение инвертора на грузовом лифте и кране.



А. Пожалуйста, внимательно прочитайте инструкции по продукту, выберите тип в соответствии с функциями и мощностью, которые вам нужны, и избегайте повреждений, вызванных неправильной проводкой;
B. Этот преобразователь частоты не поддерживает Однофазное регулирование скорости двигателя с емкостью.
C. Регулирование скорости трехфазных двигателей переменного тока с шестью или более этапами. Пожалуйста, приобретите конвертер с более высокой мощностью, чем двигатель;
D. Если вы не знаете, как выбрать тип, вы также можете связаться с нами, чтобы дать вам несколько предложений.
Е. Частотные преобразователи не имеют функции связи RS485 по умолчанию и не имеют встроенных тормозных устройств. Если вам нужна функция связи RS485 преобразователя частоты или нужно использовать с тормозным сопротивлением,Пожалуйста, оставьте сообщение при заказе.
• Наши продукты обладают отличной производительностью.
А. 0,5 Гц может обеспечить 150% пусковой крутящий момент;
B. Емкость перегрузки: 150% Номинальный ток 60s; 180% Номинальный ток 10s;
C. Несущая частота: 0,5 k ~ 15,0 кГц.
• Наши продукты имеют мощные функции.
А. PID функция управления-технология автоматического управления замкнутым циклом;
B. Многофункциональная функция контроля скорости-8-контроль скорости;
C. Многократная защита двигателя-короткого замыкания, фазового отсутствия, перегрузки по току, перенапряжения, низкого напряжения, перегрева, защиты от перегрузки и т. Д.
• Наши продукты имеют комплексную конфигурацию.
А. 17 функциональных терминалов-сотни функций могут быть реализованы через различные комбинации
B. Релейный выход-могут быть реализованы более сложные функции управления связью.





Оплата1. Пожалуйста, совершите оплату путем безопасной оплаты заранее.
2. Пожалуйста, напишите свой подробный адрес доставки, контактную информацию и номер телефона при оплате, очень важно успешно доставить посылка. Перед оплатой убедитесь, что ваш адрес в Aliexpress совпадает с вашим адресом доставки.Специально для российских клиентов необходимо указать полное имя (имя, имя, фамилию).Большое спасибо.
3.Мы не несем ответственности за любые таможенные пошлины или налог на импорт.Пожалуйста, свяжитесь с таможней вашей страны, чтобы определить, какие дополнительные расходы будут понесены до торгов/покупки.
Доставка1. Вся посылка является стандартной бумажной упаковкой или деревянной упаковкой для большого заказа.
2. Пожалуйста, обратите внимание на дату доставки, используя различные виды экспресс-доставки, поэтому, пожалуйста, выберите правильную доставку в соответствии с вашими потребностями.
3. Если Вы готовитесь к большому заказу, пожалуйста, свяжитесь с нами, если хотите доставку любым другим способом.
4. Все пакеты будут отправлены с номером отслеживания.
ОтзывыВаши положительные отзывы высоко ценятся. Мы гарантируем качество нашей продукции. Каждый товар тщательно проверяется перед отправкой. Пожалуйста, немедленно свяжитесь с нами, если у вас есть какие-либо причины. Мы всегда сделаем все возможное, чтобы удовлетворить клиента.
Если вы удовлетворены нашими продуктами и обслуживанием, пожалуйста, оставьте положительный отзыв
Отзывы для нас,Это очень важно для нас. Большое спасибо заранее.
Свяжитесь с намиМы ответим на ваши запросы как можно скорее. Однако, обратите внимание, что у нас есть разница в 12-16 часов
С Западной Европой и 8 часов разницы во времени с США. Поэтому мы обещаем, что постараемся ответить в течение 24 часов.
Для оптового заказа, также, пожалуйста, свяжитесь с нами для получения подробной информации.
-
ApplicationsUniversal
-
Control methodV/F
-
Input Voltage3 phase 380V
-
Ouput Voltage3 phase 380V
-
Power0.75kw/1.5kw/2.2kw/4kw
-
Вес1.2KG
-
Вес логистики1.000
-
Выходной ток2.5A/3.7A/5A/8.5A
-
Индивидуальное изготовлениеДа
-
Каждая упаковка1
-
Минимальная единица измерения100000015
-
Название брендаНет
-
Номер модели9100
-
Продано Вsell_by_piece
-
ПроисхождениеКитай
-
Размер220*152*179
-
Размер логистики - высота (см)25
-
Размер логистики - длина (см)25
-
Размер логистики - ширина (см)25
-
СертификацияNONE
-
ТипКонвертеры DC/DC
-
Тип выходаТройной
-
Частота на выходе0-650HZ




