P1 poort slimme meter usb to rj11 6p6c 6p4c TTL Uart голландский кабель с чипом FTDI с Domoticx на Raspberry

Ват является een P1 poort?
De P1 poort is een seriele poort (is optioneel) op je digitale elektra meter waarin je een RJ-11 (зарегистрированный Джек) stekkertje kan steken (bekend van de telefoonaansluitingen) om zo de meterstanden en het verbruik uit te lezen. Het-niet mogelijk om gegevens naar de poort te sturen!
Onderaan deze pagina heb ik de informatiebladen "требования к датчанину" (DSMR) toegevoegd.
Стандарт Niet (zie DSMR v4.04, Hfdst 4,6 "сигналы")
Deze seriele poort is echter niet standaard, ondanks dat hij op UART TTL niveau werkt, zijn de logiche waarden omgedraaid: 1 = 0 en 0 = 1 ,dit-softwarematig op maar geeft niet altijd het gewenste resultaat, oplossing om dit hardwarematig te doen, Bijvoorbeeld met een chip ertussen te plaatsen vaak wordt een MAX232 из 7404 gebruikt.
Volgens de specificatie kan de poort max. 15v aan, dus een echt RS232 signaal (+ 12v) vanuit een "echte" com poort moet hij aan kunnen.
Stekker voor de P1 poort.
Het stekkertje dat in de P1 poort moet is het type RJ-11, 4 из 6 контактов (bekend van de telefoonaansluitingen):
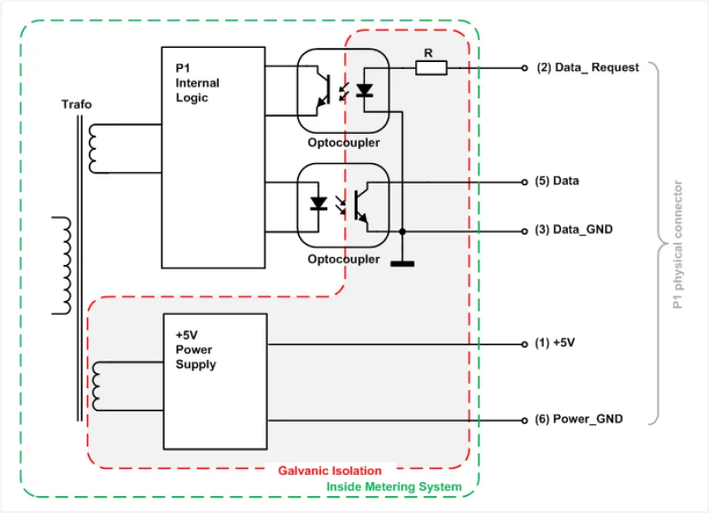
Схема voorstelling P1 poort (ESMRv5.0 P1)
Метровые наконечники
-Iskra ME 382 en MT 382 pinout
-Kaifa MA105 en MA304 pinout
-Kamstrup 162, 382 en 351 pinout
-Landis + Gyr E350 pinout
Pin 1 en 6 met DSMR 2,2:
Ps. Volgens de documentatie DSMR is pin 1 & 6 oorspronkelijk bedoelt om de seriele аппаратный интерфейс van de p1 poort te voeden, maar dit wordt vanit de meter (intern) al gevoed (om eventuele kortsluiting door gebruikers te voorkomen?), daarom zijn ze vervallen!
Hoe data uit te lezen?
De P1 poort stuurt alleen maar data als de RTS pin is voorzien van >+ 5v ten opzichte van de GND (-), zolang de spanning daarop blijft staan wordt er elke 10 seconden een telegram verzonden op de TxD
Echter om de seriele data goed te ontvangen is deze instelling van de P1 poort ook niet standaard (9600 8N1) maar heeft deze instelling:
DSMR 2,2
9600 7E1:
Баудрат = 9600
Бит данных = 7
Паритет = ровный
Стоп-бит = 1
DSMR 4,0/4,2?
115200 8N1:
Баудрат = 115200
Бит данных = 8
Паритет = нет
Стоп-бит = 1
Kijk op deze pagina hoe je een P1 poort kan uitlezen met behulp van een Arduino.
Instellingen gevonden op het интернет hier en daar (heb je wijzigingen?, stuur een MAIL):
Geen gegevens/telegram?, probeer eens een weerstandje!
* Mailtip * van Dhr. Lourens:
De Landis + Gyr, E350 (ZCF110) werkt zonder een inverter nodig te hebben. Deze meter heeft een open collector en met een weerstandje van 1kOhm van een 3,3 V voeding kan je rechtstreeks de data uitlezen met een 3,3 V seriele poort. De RTS heeft 5V nodig maar het werkt ook met 6V goed (to nu toe).
* Mailtip * van Dhr. Bouwstra
Mijn meter, de Landis + Gyr E350 DSMR 4,2 heeft een открытый коллектор uitgang om deze meter werkend te krijgen moet je een 1kOhm weerstand tussem de Vcc en RxD pin plaatsen.
Информация о Deze heb ik gevonden op: domoticaforum.eu
* Mailtip * van Dhr. Оттен
Voor wat betreft de CRC (de 4 hex waarden achter het “!”)
CRC-это значение CRC16, рассчитанное над предыдущими символами в сообщении данных
(От “/” до “!” с использованием полинома: x16 + x15 + x2 + 1).
CRC16 использует no XOR in, no XOR out и Сначала вычисляется с минимальным значением.
Значение представлено в виде 4 шестигранных символов (сначала MSB).
USB к TTL 5V TTL Uart кабель
USB к RJ11 6P6C/RJ12 6P4C последовательный кабель
Используется для Dutch Slimme Smart Meter P1 Poort кабель Landis GYR E350 ISKRA ME 382 MT382 KAIFA MA105A MA105B MA105C
Kamstrup 162 382 en351 ISKRA AM550 Segemcom XS210 T210-D
100% Geniune FTDI чип импорт из Великобритании. 100% гарантия качества.
Один год гарантии качества, весь срок службы
Загрузка драйвера FTDI: https://www.ftdichip.com/Drivers/VCP.htm
Руководство по установке FTDI: http://www.ftdichip.com/Support/Documents/InstallGuides.htm
Любые индивидуальные Pinout, пожалуйста, оставьте сообщение
О FT232RL
FT232R является последним устройством, которое будет добавлено в FTDI?s диапазон USB UART интерфейсных интегральных устройств. FT232R-это интерфейс USB для последовательного UART с дополнительным выходом генератора часов и новым FTDIChip-ID? Функция ключа безопасности. Кроме того, доступны асинхронные и синхронные режимы интерфейса битного взрыва. USB для последовательных конструкций с использованием FT232R были дополнительно упрощены путем полной интеграции внешнего EEPROM, часов и usb-резисторов на устройство.
FT232R добавляет две новые функции по сравнению со своими предыдущими, эффективно делая его чипом «3 в 1» для некоторых областей применения. Внутренние часы (6 МГц, 12 МГц, 24 МГц и 48 МГц) могут быть выведены из устройства и использованы для управления микроконтроллером или внешней логикой. Уникальный номер (FTDIChip-ID?) сгорел в устройство во время производства и читается через USB, таким образом формируя основу ключа безопасности, который может быть использован для защиты клиентского программного обеспечения от копирования.
Один чип USB для асинхронного последовательного интерфейса передачи данных.
Весь Протокол USB обрабатывается на чипе-не требуется Программирование прошивки по USB.
Интерфейс UART поддерживает 7 или 8 бит данных, 1 или 2 стоп-бит и нечетный/ровный/Метка/пространство/отсутствие четности.
Полностью вспомогательное оборудование или программное обеспечение X-On / X-Off handshaking.
Скорость передачи данных от 300 бод до 3 мегабод (RS422 / RS485 и на TTL уровнях) и 300 бод до 1 мегабод (RS232).
Встроенная поддержка символов событий и условий разрыва линии.
Новый USB FTDIChip-ID? Особенности.
Новые настраиваемые CBUS I/O контакты.
Автоматическое управление буфером передачи для приложений RS485.
Передавайте и получайте светодиодный сигнал.
Новые 48 МГц, 24 МГц, 12 МГц и 6 МГц опции выходного сигнала для вождения внешнего MCU или FPGA.
FIFO принимает и передает буферы для высокой пропускной способности данных.
256 байт получают буфер и 128 байт передают буфер, используя технологию сглаживания буфера, чтобы обеспечить высокую пропускную способность данных.
Регулируемое время получения буфера.
Синхронный и асинхронный интерфейс битового взрыва с режимами RD # и WR # strobes.
Новая опция режима битного взрыва CBUS.
Интегрированный 1024 бит внутренний EEPROM для конфигурации ввода/вывода и хранения USB VID, PID, серийный номер и строки описания продукта.
Устройство поставляется предварительно запрограммировано с уникальным серийным номером USB.
Поддержка USB приостановить/продолжить.
Поддержка питания от шины, автономных и мощных USB-конфигураций.
Интегрированный 3,3 V преобразователь уровня для USB I/O.
Интегрированный преобразователь уровня на UART и CBUS для подключения к логике 5V-1,8 V.
Размер 5V/3,3 V/2,8 V/1,8 V CMOS привод вывода и TTL входного сигнала.
Высокий выходной привод ввода/вывода.
Встроенные usb-резисторы.
Интегральная схема включения питания.
Полностью интегрированные часы-не требуется внешний кристалл, осциллятор или резонатор.
Полностью интегрированная фильтрация поставок AVCC-нет отдельных контактов AVCC и не требуется фильтр внешней R-C.
Опция инверсии сигнала UART.
Режим оптовой передачи USB.
3,3 V до 5,25 V одной поставки Управление.
Низкая рабочая мощность и usb-приостанавливающий ток.
Низкое потребление полосы пропускания USB.
Совместимый контроллер хоста UHCI / OHCI / EHCI.
Совместимость с полной скоростью USB 2,0.
-40 °C до 85 °C расширенный диапазон рабочих температур.
Доступны драйверы, которые позволяют устройствам FTDI работать со следующими операционными системами:
Windows 8,1
Windows 8,1 x64
Windows 8
Windows 8 x64
Windows Server2012
Windows сервер 2008 R2
Windows 7
Windows 7 x64
Windows сервер 2008
Windows сервер 2008 x64
Windows Vista
Windows Vista x64
Windows сервер 2003
Windows сервер 2003 x64
Windows XP
Windows XP x64
Windows ME
Windows 98
Linux
Mac OS X
Mac OS 9
Mac OS 8
Windows CE.NET (версия 4,2 и выше)
Android
Windows RT
Поддержка WinCE7.0
Первоначальное функциональное тестирование, проведенное FTDI, показало, что драйверы FTDI функционируют так, как ожидалось на Windows CE 7,0
Поддержка более старых версий рабочего стола Windows
Примечание: Microsoft закончила поддержку сертификации XP и VISTA через их WHCK test program. Так как текущие сборки по-прежнему работают на XP и VISTA, но не сертифицированы Microsoft.
Различия в API драйвера
Для большинства этих операционных систем доступны два типа драйвера: Драйверы виртуального COM порта (VCP) и драйверы direct (D2XX). Драйвер VCP эмулирует стандартный последовательный порт ПК, так что устройство USB может быть передано в качестве стандартного устройства RS232. Драйвер D2XX обеспечивает прямой доступ к usb-устройству через интерфейс DLL.
Чтобы найти драйверы, которые вы хотите установить для устройства, выберите тип драйвера, который вы хотите использовать (VCP или D2XX), а затем найдите соответствующие операционные системы. За исключением Windows 98 и Windows ME, все устройства поддерживаются в каждой посылка драйвера.
Если требуется драйвер VCP для Android, обратитесь к следующему приложению Примечание: TN 132 добавление устройств FTDI поддержка драйвера VCP для Android
Уведомление покупателя
> Доставка и обработка
1. Время обработки: 1-3 дня для всех заказов.
2. Особые запросы: Пожалуйста, укажите ваши особые пожелания (цвет, посылка и т. д.) в разделе Примечания при оформлении заказа.
3. Способ доставки: Большинство заказов (менее 2 кг) отправляются Aliexpress стандартной доставкой/почтой Нидерландов/почтой Швейцарии
Менее $5 заказы отправляются продавцом методом доставки.
Любые другие требования относительно способа доставки, пожалуйста, свяжитесь с нами.
4. Время доставки: обычно 15-60 дней, чтобы получить заказ, за исключением Бразилии. Иногда время доставки может быть длинным и варьироваться, особенно во время праздничного сезона.
Пожалуйста, свяжитесь с нами, если вам нужна помощь для отслеживания.
5. Импортные пошлины: импортные пошлины, налоги и сборы не включены в цену товара или стоимость доставки.
> Возврат и возврат
Политика Возврата: Мы принимаем Aliexpress политику возврата; Покупатель оплачивает обратную доставку.
Политика Возврата: Мы предоставляем надежную политику обслуживания.
Бык, если вы получаете товар сломанный. Свяжитесь с нами для полного возврата денег или замены.
Бык, если вы не получили товар в Заявленное время доставки. Свяжитесь с нами для полного возврата денег или замены.
Если вы получили товар с проблемой качества, свяжитесь с нами для получения половины или полного возмещения.
Если вы недовольны товаром, пожалуйста, сначала свяжитесь с нами, чтобы открыть спор или оставить отрицательный отзывы.
> Отзывы
Если вы удовлетворены нашими товарами, то товара, в то время как это исправно, мы искренне приглашаем вас оставить нам все 5-звездочный рейтинг положительные отзывы.
Если вы недовольны товаром или обслуживанием, пожалуйста, сначала свяжитесь с нами, мы предоставим лучшее решение и приложим все усилия, чтобы предоставить вам более отличный сервис.